Замена ремня ГРМ на 2.5TDI

Тема в разделе "Дизельные двигатели", создана пользователем слава107, 10 ноя 2009.

  1. слава107

    слава107 Bad e-mail

    27 окт 2009
    95
    Audi A6/C5 2.5TDI 01г.
    Sergey33333 ты прав официалы те еще хапуги. Нашел классного спеца делает все за 850 $ и дает гарантию на 70000.
     
    Stop hovering to collapse... Click to collapse... Hover to expand... Нажмите, чтобы раскрыть...
  2. слава107

    слава107 Bad e-mail

    27 окт 2009
    95
    Audi A6/C5 2.5TDI 01г.
    Буду еще искать. Думаю в 600$ уложиться.
     
    Stop hovering to collapse... Click to collapse... Hover to expand... Нажмите, чтобы раскрыть...
  3. слава107

    слава107 Bad e-mail

    27 окт 2009
    95
    Audi A6/C5 2.5TDI 01г.
    Sergey33333 спасибо за клима. Завтра буду пробовать.
     
    Stop hovering to collapse... Click to collapse... Hover to expand... Нажмите, чтобы раскрыть...
  4. kirill2003

    kirill2003 Bad e-mail

    18 фев 2010
    1
    мужики подскажите а что именно входит в комплект ремней грм, в ауди центре оригинальный комплект стоит 14000, это нормальная цена?
     
  5. *Гога*

    *Гога* Живу я здесь

    28 мар 2009
    1.016
    Субару Аутбэк 2012
    #25 *Гога*, 6 янв 2011
    Последнее редактирование: 24 сен 2012
    Всем доброе время!Сколько стоит работа по замене ГРМ,а то объявили 7500р?!
     
  6. Footix

    Footix Der Experte

    10 сен 2008
    2.415
    Москва
    Audi E-tron Sportback
    Да нет, там много работы, бампер снимать, радиатор и тд. И профанам лучше не доверять ни за какие деньги!
     
    Stop hovering to collapse... Click to collapse... Hover to expand... Нажмите, чтобы раскрыть...
  7. *Гога*

    *Гога* Живу я здесь

    28 мар 2009
    1.016
    Субару Аутбэк 2012
    #27 *Гога*, 6 янв 2011
    Последнее редактирование: 6 янв 2011
    Бампер в течении 20-25 минут снимается.На Пассате меняли,радиатор не снимали,только компрессор кондея не отсоеденяя от трубок,что-бы рамку подальше от двигателя отвезти и все.Может здесь и надо,честно говоря не знаю!
     
  8. Footix

    Footix Der Experte

    10 сен 2008
    2.415
    Москва
    Audi E-tron Sportback
    Если делать с запчастями (комплект ГРМ + помпа) то на круг выходит порядка 700 уе. Если дешевле - то это подозрительно. Ремень ГРМ ходит 120ткм и вряд ли стоит тут экономить. Я ставил оригинал, да еще с гарантией.
     
    Stop hovering to collapse... Click to collapse... Hover to expand... Нажмите, чтобы раскрыть...
  9. *Гога*

    *Гога* Живу я здесь

    28 мар 2009
    1.016
    Субару Аутбэк 2012
    Оригинал не брал по своим сображениям.Брал Contitech,Hepu,Ina,SNR все обошлпсь в 14200р.Просто у кого-то работа озвучивалась здесь в теме в пределах 3500р,потому и задал вопрос по работе!
     
  10. Footix

    Footix Der Experte

    10 сен 2008
    2.415
    Москва
    Audi E-tron Sportback
    Видимо ары какие-то пиарятся...
     
    Stop hovering to collapse... Click to collapse... Hover to expand... Нажмите, чтобы раскрыть...
  11. pau

    pau Живу я здесь

    2 фев 2006
    3.795
    А4 TDI
    Работы (если делать для себя и надолго) намного больше. Меньше 200 евро не стоит. Целый день, как минимум.
     
  12. *Гога*

    *Гога* Живу я здесь

    28 мар 2009
    1.016
    Субару Аутбэк 2012
    Тогда еще и дешевле,чем в Испании на 500рублейthere
     
  13. ale130187

    ale130187 Участник форума

    2 янв 2011
    311
    Audi A6/C5 avant
    а сколько будет стоить не афициалов
     
  14. *Гога*

    *Гога* Живу я здесь

    28 мар 2009
    1.016
    Субару Аутбэк 2012
    Предложение не особо понятно,но если про неофициалов,то мне объявили 7500р:nod:Писал об этом выше!
     
  15. Лис_Уфа

    Лис_Уфа Живу я здесь

    4 июл 2009
    1.677
    Газель 7ми местная
    Хочешь сделать хорошо- сделай сам.
    В понедельник буду менять, да еще и клапанные крышки открою и посмотрю состояние валов.
     
  16. *Гога*

    *Гога* Живу я здесь

    28 мар 2009
    1.016
    Субару Аутбэк 2012
    #36 *Гога*, 15 янв 2011
    Последнее редактирование: 19 янв 2011
    Всем привет!Еще интересует стоимость работ по снятию передней крышки,появилась течь!Я так понял без снятия подрамника и двух поддонов не обойтись и нужно ли регулировать развал-схождение? Вопрос снимается,стоимость работы от 4500р до 8000,при сятом ГРМ и *морде* в сервисе,и авто на развал!
     
  17. *Гога*

    *Гога* Живу я здесь

    28 мар 2009
    1.016
    Субару Аутбэк 2012
    #37 *Гога*, 10 июн 2013
    Последнее редактирование: 29 июн 2013
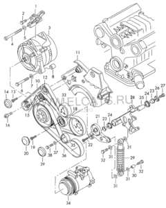
    Я бы еще добавил к списку стержень 25 с втулками и сальниками,который крепится к кронштейну 21 , на который крепится ролик,появляется люфт в этой зоне,,ремень может съехать с ролика,может обломить болт со всеми вытекающими последствиями.У меня стержень вообще закис.
     

    Вложения:

    • CImage.png
      CImage.png
      Размер файла:
      92,9 КБ
      Просмотров:
      334
  18. Sergejss

    Sergejss Новичок

    29 дек 2011
    39
    A4B5 2.5TDI 1999г.
    Помогите пожалуйста с кодами запчастей,навесных агрегатов на AKN двигатль, плюс если не сложно то подскажите номера сальников которые можно заодно там поменять .Там только один стоит сальник который на коленвале? Ну и конечно хотелось бы сразу купить эту поблемную втулку натяжного ролика если можно то и на неё намерок дайте пожалуйста, она продаётся вместе с натежным роликом или отдельно.:help:


    1.Ремень генератора
    2.Обводной ролик ремня генератора
    3. 2-ой обводной ролик ремня генератора
    4. Натяжной ролик ремня генератора

    5.Ремень компрессора кондиционера
    6. Натяжной ролик ремня кондиционера
     
  19. emelja

    emelja Завсегдатай

    8 июл 2010
    665
    allroad АКЕ АКПП
    059 903 137 H
    Ролики ремня генератора.
    059 903 341 A
    059 903 341
    059 145 276


    059 260 849 B


    059 260 523 B
     
  20. emelja

    emelja Завсегдатай

    8 июл 2010
    665
    allroad АКЕ АКПП
    059 145 124
    059 145 350 2шт
    059 145 288 2шт
    Пост №37 на картинке видно №23,№24,№25!!!