Подключение и эксплуатация RNS-E (часть II)

Тема в разделе "Мультимедиа и автозвук", создана пользователем maxx_18, 7 апр 2015.

  1. maxx_18

    maxx_18 Живу я здесь

    18 июл 2009
    1.233
    Кировская обл.
    Q38U
    Вот эта красная дорога?

    Химки.JPG
     
  2. Pashae

    Pashae Живу я здесь

    21 дек 2015
    3.062
    А4 В7 2005г.в.
    думаю, нужна именно FAT16. отформатируй карту имеено в этой файловой системе.
    хотя я точно не помню, одна из карт у меня стоит от телефона. и там, насколько помню, FAT32
     
  3. Григорий_Audi

    Григорий_Audi Завсегдатай

    4 сен 2006
    914
    Москва
    Audi A3
    Сегодня приехала новая на 2гб, я ее под фат32 форматнул, закачал музыку и все заработала) ура)

    та, что с фотика, так и не заработала после той же операции, не видит ее майфун, капризный он) хотя ноут видит все)

    осталось для идеала найти 2шт по 4гб)

    Всем спасибо за помощь!)
     

    Вложения:

    • IMG_3454.JPG
      IMG_3454.JPG
      Размер файла:
      825,8 КБ
      Просмотров:
      63
    • IMG_3457.JPG
      IMG_3457.JPG
      Размер файла:
      293,7 КБ
      Просмотров:
      55
    • IMG_3455.JPG
      IMG_3455.JPG
      Размер файла:
      469,6 КБ
      Просмотров:
      64
  4. maxx_18

    maxx_18 Живу я здесь

    18 июл 2009
    1.233
    Кировская обл.
    Q38U
  5. master1313

    master1313 Новичок

    17 мар 2015
    25
    А4/В7 2.0Т 05г.
    Макс Прива! Кинь ссылку откуда можно скачать и реквизиты, оплату гарантирую (ведь в первый раз все получилось). С нетерпением жду, с уважением к твоей работе - master1313@yandex.ru
     
  6. maxx_18

    maxx_18 Живу я здесь

    18 июл 2009
    1.233
    Кировская обл.
    Q38U
    Ответил на почту.
     
  7. jarchla

    jarchla Участник форума

    2 окт 2015
    105
    а3 2.0тди
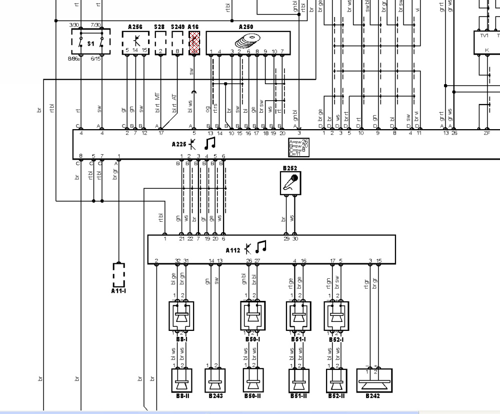
    скажите в rns-e магнитола выдает всего 2 канала которые идут на штатный усилок который делит на фронт , тыл и саб ?
     
  8. maxx_18

    maxx_18 Живу я здесь

    18 июл 2009
    1.233
    Кировская обл.
    Q38U
    Нет, если не BOSE, то 2 канала с усилением идут на передние динамики и 2 канала без усиления на задний усилок.
     
  9. jarchla

    jarchla Участник форума

    2 окт 2015
    105
    а3 2.0тди
    у меня босе на а3 штатная стоит , не подскажешь по распиновке куда что идет ?
     
  10. Pashae

    Pashae Живу я здесь

    21 дек 2015
    3.062
    А4 В7 2005г.в.
    полистай чуть назад тему. я для А4 скидывал схемы для обычной и бозе акустики. думаю, различий в схемах нет
     
  11. Pashae

    Pashae Живу я здесь

    21 дек 2015
    3.062
    А4 В7 2005г.в.
    #1491 Pashae, 14 фев 2017
    Последнее редактирование: 14 фев 2017
    усилитель на саб и задние динамики
    IMG_4770.JPG
     
  12. Pashae

    Pashae Живу я здесь

    21 дек 2015
    3.062
    А4 В7 2005г.в.
    IMG_4769.JPG
     
  13. jarchla

    jarchla Участник форума

    2 окт 2015
    105
    а3 2.0тди
    у меня босе на а3 штатная стоит , не подскажешь по распиновке куда что идет ?
    на первой странце ветки есть распиновка разъема магнитолы, там только 2 канала звука выходит , или я чет не допонимаю?
     

    Вложения:

  14. Pashae

    Pashae Живу я здесь

    21 дек 2015
    3.062
    А4 В7 2005г.в.
    в разъеме А это для обычной акустики выход на центральную пищалку и передние динамики. на задние идет через усилитель через свой управляющий провод.
    что конкретно нужно?
     
  15. maxx_18

    maxx_18 Живу я здесь

    18 июл 2009
    1.233
    Кировская обл.
    Q38U
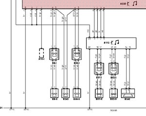
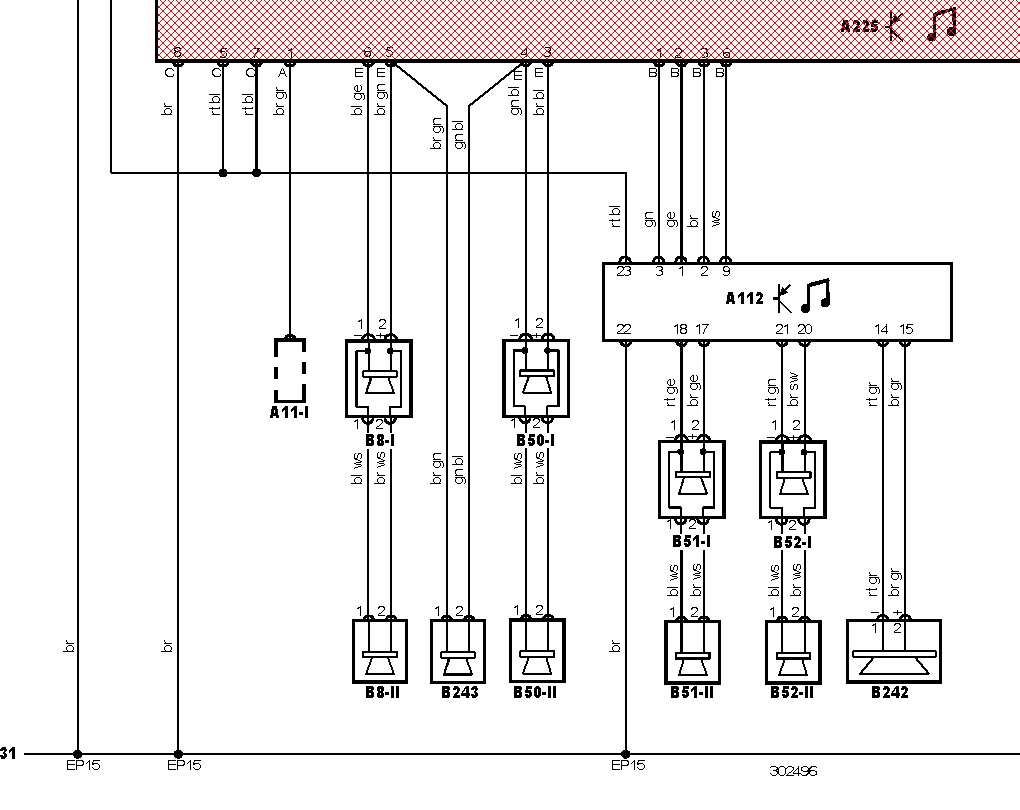
    Разъем А - передние динамики, разъем С - линейные выходы на задний усилок и саб.
     
  16. jarchla

    jarchla Участник форума

    2 окт 2015
    105
    а3 2.0тди
    а если босе то с разъема А идет тоже на усилок ?
     
  17. jarchla

    jarchla Участник форума

    2 окт 2015
    105
    а3 2.0тди
    у меня боус , поидее все колонки работают от усилка , получается с разъема А звук высокоуровневый идет на усилок боус а звук на задние идет линейный сигнал на усилок ?
     
  18. maxx_18

    maxx_18 Живу я здесь

    18 июл 2009
    1.233
    Кировская обл.
    Q38U
    Если BOSE, то магнитола кодируется таким образом, что с разъема А тоже идет линейный сигнал.
     
  19. jarchla

    jarchla Участник форума

    2 окт 2015
    105
    а3 2.0тди
    у меня боус , поидее все колонки работают от усилка , получается с разъема А звук высокоуровневый идет на усилок боус а звук на задние идет линейный сигнал на усилок ?
    думаю андроид китайский поставить вместо rns-e , по отзывам если боус установлена то звука вообще не будет , если не боус то передок работает а зад и саб не работает , вот и копаю почему так происходит и как решить вопрос!
     
  20. Pashae

    Pashae Живу я здесь

    21 дек 2015
    3.062
    А4 В7 2005г.в.
    а с какой уелью RNS менять на китайца? камера? флешка? потому как по опыту звук хуже