AUDI Q5 2.0 CMGA убрать контур охлаждения ЕГР

Тема в разделе "Дизельные двигатели", создана пользователем Danik081, 28 ноя 2025.

  1. Danik081

    Danik081 Новичок

    28 июл 2021
    10
    Здравствуйте. Имеется Ку5 2.0 TDI .
    Егр удален и программно и физически. Но от него остался аппендикс в виде трубок охлаждения которые закольцованы в месте отсутствия радиатора егр.
    Хочу удалить всю линию охлаждения егр , т.к помер термостат и обратный клапан в связи с чем идет постоянная циркуляция по большому кругу.
    так как в линии есть датчик температуры и доп помпа как правильней поступить ? с датчиком температуры вроде как все понятно его нужно перенести на выход радиатора., но как правильней поступить с доп помпой, можно ли ее куда то задействовать? так как при снятии клемы с помпы -чек.
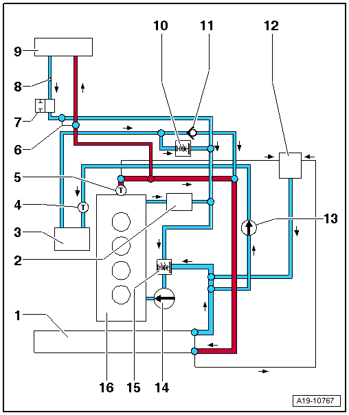
    [​IMG]
    Убрать все трубки от №3
     
  2. Melkon&Ratkov

    Melkon&Ratkov Со сложной диагностикой мы постараемся помочь.

    25 фев 2014
    8.578
    Московская обл.
    Audi
    Надо нормальную прошивку и все убрать в т.ч. и G83
     
    greka нравится это.
    Stop hovering to collapse... Click to collapse... Hover to expand... Нажмите, чтобы раскрыть...
  3. Danik081

    Danik081 Новичок

    28 июл 2021
    10
    Я правильно понимаю что в данном случае помпа лишь отвечает за циркуляцию охолождения егр ? Или возможно прокачивание на заглушённом моторе для охолождения , положение g83 тоже странное . за длительность работы вентиляторов не может отвечать ?
     
  4. Melkon&Ratkov

    Melkon&Ratkov Со сложной диагностикой мы постараемся помочь.

    25 фев 2014
    8.578
    Московская обл.
    Audi
    И то и другое для ЕГР и больше не для чего .
     
    Stop hovering to collapse... Click to collapse... Hover to expand... Нажмите, чтобы раскрыть...
  5. greka

    greka quattro®user

    29 янв 2004
    27.354
    Греция
    quattro®
    а термостат с клапаном заменить, не?
     
    Stop hovering to collapse... Click to collapse... Hover to expand... Нажмите, чтобы раскрыть...
  6. Danik081

    Danik081 Новичок

    28 июл 2021
    10
    Убрать трубки - больше места для обслуживания , не нужно тратить средства на ненужные запчасти )
    И сколько вникал в схему, мне кажется даже при исправном термостате и клапане циркуляция с гбц все равно будет через основной радиатор ,
     
  7. Danik081

    Danik081 Новичок

    28 июл 2021
    10
    Убрал сегодня, все трубки охолождения егр .
    Термостат дулся в обе стороны легко , обратный клапан исправный.
    Еще раз убедился что даже при исправном термостате будет циркуляция по большому кругу, так что при удаление теплообменника это обязательная процедура .

    Теперь нужно решить вопрос с насосом и датчиком g83. По насосу все ясно , а вот по g83 , при его отключении вентилятор уходит в аварий режим и крутит без остановки. Нужно думать как его примастрить на выход радиатора..
     

    Вложения:

  8. Melkon&Ratkov

    Melkon&Ratkov Со сложной диагностикой мы постараемся помочь.

    25 фев 2014
    8.578
    Московская обл.
    Audi
    G83 в прошивке надо отключить и не заниматься ерундой
     
    greka нравится это.
    Stop hovering to collapse... Click to collapse... Hover to expand... Нажмите, чтобы раскрыть...
  9. Danik081

    Danik081 Новичок

    28 июл 2021
    10
    Нигде нет информации его участия в управлении вентиляторов . но сложилось мнение может он в зависимости от эффективности охолождения основным радиатором регулирует скорость вращения или вообще момент включения вентилятора
     
  10. Melkon&Ratkov

    Melkon&Ratkov Со сложной диагностикой мы постараемся помочь.

    25 фев 2014
    8.578
    Московская обл.
    Audi
    Не надо ничего выдумывать . Такие моторы делаются по ЕГР регулярно и всегда g83 отключаются и убирается без каких то последствий .
     
    Danik081 нравится это.
    Stop hovering to collapse... Click to collapse... Hover to expand... Нажмите, чтобы раскрыть...
  11. Danik081

    Danik081 Новичок

    28 июл 2021
    10
    К Вам можно будет обратиться за правкой прошивки ?
     
  12. Melkon&Ratkov

    Melkon&Ratkov Со сложной диагностикой мы постараемся помочь.

    25 фев 2014
    8.578
    Московская обл.
    Audi
    Да без проблем .
     
    Stop hovering to collapse... Click to collapse... Hover to expand... Нажмите, чтобы раскрыть...
  13. Bazhen41k

    Bazhen41k Новичок

    10 окт 2025
    4
     
  14. Bazhen41k

    Bazhen41k Новичок

    10 окт 2025
    4
    Помогла процедура? Зимой как греется?
     
  15. Danik081

    Danik081 Новичок

    28 июл 2021
    10
    Да помогла , прогревается отлично . были морозы до -26 , держит отлично температуру . да это и предсказуемо , раньше была частичная циркуляция большого круга
     
  16. Bazhen41k

    Bazhen41k Новичок

    10 окт 2025
    4
     
  17. Bazhen41k

    Bazhen41k Новичок

    10 окт 2025
    4
    Т.е, меня не глючит ,когда я трогаю нижний патрубок он слегка теплый?! А как быстро прогревается, в новом конфиге, и как остывает летом, точнее, я так понимаю доп помпу же тоже убрали, а она вроде как предназначена для циркуляции фриза после того как заглушили, что бы бошка не треснула. Механической помпе хватает дури прогнать систему через отопитель? Или все так же надо без печки прогреть двигатель, и только потом печку вкл что бы температура обратно в полтинник не падала? Как решили вопрос с датчиком g83? Если я правильно понимаю этот датчик стоит на трубке для егр?
     
  18. Danik081

    Danik081 Новичок

    28 июл 2021
    10
    Прогревается за 10-15 минут хх стрелка начинает отрываться 50 градусов , если в движении то вообще быстро поднимается до рабочей температуры .
    Летом не ездил ещё, но более чем уверен что будет все в порядке .
    Я в этом дилетант, но если вникнуть в схему, то становится понятно что даже при исправных термостате и клапане будет циркуляция через основной радиатор . поэтому при удалении теплообменника считаю это обязательно убирать контур .
    Алгоритм работы помпы не нашёл , но что то мне подсказывает что работает она только на охолождение его
    Печка работает без изменений , но при включенной вебасты греет значительно лучше за счёт помпы самой вебасты , грешу на забитость печки