Хочу поставить кнопку блокировки дверей,НУЖНА ПОМОЩЬ

Тема в разделе "80/90/100/200/А6 С4", создана пользователем Lёha, 28 фев 2013.

  1. Eisbar

    Eisbar Raider Of The North

    16 июн 2008
    5.709
    Москва
    Audi B4 NG 94
    +1 :nod:
     
    Stop hovering to collapse... Click to collapse... Hover to expand... Нажмите, чтобы раскрыть...
  2. Lёha

    Lёha Живу я здесь

    10 мар 2007
    3.429
    KIA Sportage,2013
    Вот её полное описание подключения:
    Описание кнопки,точнее её контактов
    3 контакт - (+12) для подсветки кнопки(светодиод),подаётся при вкл.зажигания
    2 контакт - (-) постоянно,для подсветки кнопки и при нажатии кнопки в первое положение,он выходит из 4 контакта
    1 контакт - (+12) постоянно и при нажатии кнопки во второе положение,выходит из 4 контакта
    5 контакт - (-) без всяких нажатий на кнопку,параллелен со 2 контактом.При нажатии в первое положение они размыкаются,а при нажатии во второе положение не чего не происходит.

    8L0 962 107 01C
     
    Stop hovering to collapse... Click to collapse... Hover to expand... Нажмите, чтобы раскрыть...
  3. oko-63

    oko-63 Живу я здесь

    3 мар 2008
    3.611
    100/4A 2.8 AAH 92г
    #63 oko-63, 11 мар 2013
    Последнее редактирование: 11 мар 2013
    Че-та не въехал. Схему бы.

    Все, въехал. То что раньше написал - отбой.
     
    Stop hovering to collapse... Click to collapse... Hover to expand... Нажмите, чтобы раскрыть...
  4. Lёha

    Lёha Живу я здесь

    10 мар 2007
    3.429
    KIA Sportage,2013
    Не много приболел :beer: , поэтому не было время отписаться.
    8ого сидел долго ломал голову и пришёл к выводу,что кнопку с ключём нельзя применить в схеме с двумя релюшками.Потому как эта схема управляется только минусом,что при открытие,что при закрытии актуатора.
    Но зато выяснил,что можно использовать кнопку от эл.стеклоподъёмника.
    Даже собрал всю схемку в живую.Чуть позже и схемку выложу и видео.Щас только с духом соберусь.
     
    Stop hovering to collapse... Click to collapse... Hover to expand... Нажмите, чтобы раскрыть...
  5. oko-63

    oko-63 Живу я здесь

    3 мар 2008
    3.611
    100/4A 2.8 AAH 92г
    Ну да, кнопку от стеклоподъемника можно использовать с актуатором без всяких реле, т.е. выход с кнопки прямо на актуатор. Только вот я все думал, что ты непременно кнопку 8L0 962 107 01C использовать хочешь. Как-никак более 2-х рублей стоит.
     
    Stop hovering to collapse... Click to collapse... Hover to expand... Нажмите, чтобы раскрыть...
  6. Lёha

    Lёha Живу я здесь

    10 мар 2007
    3.429
    KIA Sportage,2013
    И так,как выше и писал,применил кнопку от ЭСП.
    Чтоб кнопка ЦЗ была похожа на него,поменял клавиши местами.
     

    Вложения:

    • Scan.jpg
      Scan.jpg
      Размер файла:
      46,2 КБ
      Просмотров:
      1.027
    • IMG_1123.jpg
      IMG_1123.jpg
      Размер файла:
      70,7 КБ
      Просмотров:
      616
    • IMG_1131.jpg
      IMG_1131.jpg
      Размер файла:
      71,6 КБ
      Просмотров:
      642
    Stop hovering to collapse... Click to collapse... Hover to expand... Нажмите, чтобы раскрыть...
  7. Lёha

    Lёha Живу я здесь

    10 мар 2007
    3.429
    KIA Sportage,2013
    Stop hovering to collapse... Click to collapse... Hover to expand... Нажмите, чтобы раскрыть...
  8. oko-63

    oko-63 Живу я здесь

    3 мар 2008
    3.611
    100/4A 2.8 AAH 92г
    #68 oko-63, 14 мар 2013
    Последнее редактирование: 14 мар 2013
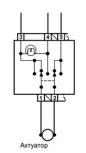
    Так ведь с кнопкой ЭСП можно без всяких реле:

    Схема кнопки стеклоподъемника.jpg

    На контакт -4- подаешь минус. На контакты -3- и -5- подаешь через предохранитель плюс от ЗЗ или от контакта -4- любой из кнопок стеклоподъемника (если они у тебя есть), красно-синий провод. На эти контакты -4- от модуля управления стеклоподъмниками подается плюс.

    Но лучше наоборот: на -4- подать плюс, а на -3- и -5- подать минус. Но СД перепаять прийдется (выводы местами поменять).
     
    Stop hovering to collapse... Click to collapse... Hover to expand... Нажмите, чтобы раскрыть...
  9. Lёha

    Lёha Живу я здесь

    10 мар 2007
    3.429
    KIA Sportage,2013
    Такссс,надо покурить твоё предложение и схемку.
     
    Stop hovering to collapse... Click to collapse... Hover to expand... Нажмите, чтобы раскрыть...
  10. accc

    accc Старожил

    28 дек 2011
    6.087
    Саратовская обл.
    А80ААН 94г quattro
    тема мне тоже актуальна.что то схему не понял,есть кнопки водительской двери на 2 ЭСП а провода обрезаны.Есть ли у кого возможность расписать по цветам ,что куда?
     
    Stop hovering to collapse... Click to collapse... Hover to expand... Нажмите, чтобы раскрыть...
  11. Lёha

    Lёha Живу я здесь

    10 мар 2007
    3.429
    KIA Sportage,2013
    ЭЭЭЭЭЭЭЭ , хотелось бы понять,что ты хочешь от своих кнопок?
    Что бы подключить их к ЭСП или к ЦЗ(центральный замок)?
     
    Stop hovering to collapse... Click to collapse... Hover to expand... Нажмите, чтобы раскрыть...
  12. accc

    accc Старожил

    28 дек 2011
    6.087
    Саратовская обл.
    А80ААН 94г quattro
    Хочу подключить ЭСП
     
    Stop hovering to collapse... Click to collapse... Hover to expand... Нажмите, чтобы раскрыть...
  13. Lёha

    Lёha Живу я здесь

    10 мар 2007
    3.429
    KIA Sportage,2013
    Ну тема вообще то про ЦЗ.
     
    Stop hovering to collapse... Click to collapse... Hover to expand... Нажмите, чтобы раскрыть...
  14. sergey 100

    sergey 100 Новичок

    8 янв 2010
    86
    A6C4 Avant Q2.5TDI
    Всем привет,я видел такую кнопку в роде бы в штатном месте,на водительской двери.Как я понял нужно взять внутреннюю ручку с задней левой двери,только с местом под кнопку стеклоподьемника,и вставить вместо нее кнопку блокировки.по подключению не подскажу
     
  15. oko-63

    oko-63 Живу я здесь

    3 мар 2008
    3.611
    100/4A 2.8 AAH 92г
    Ручки сзади и спереди разные. Для левой передней двери существуют ручки как с дыркой, так и без дырки. Не знаю, как на разборках, а в экзисте такая стоит около 1,5 рубля, сцуко.

    Так в этом и проблема.
     
    Stop hovering to collapse... Click to collapse... Hover to expand... Нажмите, чтобы раскрыть...
  16. sergey 100

    sergey 100 Новичок

    8 янв 2010
    86
    A6C4 Avant Q2.5TDI
    Экзистом не пользовался,не скажу,а на разборе у нас от 5 до10 уе,если конечно об этой ручке разговор(я говорю про ручку открывания двери,к которой цепляется тросик)
     
  17. oko-63

    oko-63 Живу я здесь

    3 мар 2008
    3.611
    100/4A 2.8 AAH 92г
    Да, речь о ней.
    Халява.
     
    Stop hovering to collapse... Click to collapse... Hover to expand... Нажмите, чтобы раскрыть...
  18. oko-63

    oko-63 Живу я здесь

    3 мар 2008
    3.611
    100/4A 2.8 AAH 92г
    Лёха, как успехи? Или забил?
     
    Stop hovering to collapse... Click to collapse... Hover to expand... Нажмите, чтобы раскрыть...
  19. Lёha

    Lёha Живу я здесь

    10 мар 2007
    3.429
    KIA Sportage,2013
    Почему забил.
    Всё уже давно стоит и работает.
     
    Stop hovering to collapse... Click to collapse... Hover to expand... Нажмите, чтобы раскрыть...
  20. oko-63

    oko-63 Живу я здесь

    3 мар 2008
    3.611
    100/4A 2.8 AAH 92г
    Ну так расскажи, как все-таки сделал, куда кнопку впендюрил. С актуатором?
    А то у меня тут созрела идея, как без всяких актуаторов сделать (реле и пара диодов).
     
    Stop hovering to collapse... Click to collapse... Hover to expand... Нажмите, чтобы раскрыть...