Вопросы электрикам

Тема в разделе "80/90/100/200/А6 С4", создана пользователем Dim4ik, 13 дек 2014.

  1. Dim4ik

    Dim4ik Живу я здесь

    7 окт 2009
    1.096
    Audi Coupe quattro
    Не он это там в глубине? Завязан на 85 и 86 ногу.
    IMG_20200125_120412.jpg
     
  2. Dim4ik

    Dim4ik Живу я здесь

    7 окт 2009
    1.096
    Audi Coupe quattro
  3. Dim4ik

    Dim4ik Живу я здесь

    7 окт 2009
    1.096
    Audi Coupe quattro
    #103 Dim4ik, 25 янв 2020
    Последнее редактирование: 25 янв 2020
    Загуглил про диод, как понимаю это не он :D

    Диоды 1N4004-1N4007 подойдут? Так подключать?

    diod1.JPG
    P.S забыл упомянуть что свет управляется минусом, если это важно
     
  4. knyazevpit

    knyazevpit Старожил

    13 июн 2012
    5.122
    Коми респ.
    А6C4 2,6Q АКПП 97г.
    Это резистор
    Я бы к схеме добавил бы электролитический конденсатор diod1.JPG
     
  5. Dim4ik

    Dim4ik Живу я здесь

    7 окт 2009
    1.096
    Audi Coupe quattro
    А какие параметры конденсатора нужны? Или может даже точную модель, что бы не взять что то не то...

    А если вместо обычного реле подключить ваговское реле задержки освещения салона 447947115С к пину Т? Все тоже самое?

    447947115C.png

    IMG_20200125_174704.jpg
     
  6. knyazevpit

    knyazevpit Старожил

    13 июн 2012
    5.122
    Коми респ.
    А6C4 2,6Q АКПП 97г.
    Оффтоп: А есть ли у вас схема кнопки обогрева сидений, я смотрю у вас много схем, если не секрет, то где мне их найти?
     
  7. knyazevpit

    knyazevpit Старожил

    13 июн 2012
    5.122
    Коми респ.
    А6C4 2,6Q АКПП 97г.
    Можно попробовать и без конденсатора, но если появиться дребезг реле, то он будет необходим. По емкости не скажу, может 5 мкФ, а может и 50мкФ, напряжение можно взять с запасом 25V.
     
  8. knyazevpit

    knyazevpit Старожил

    13 июн 2012
    5.122
    Коми респ.
    А6C4 2,6Q АКПП 97г.
    Из ваших постов я так и не понял, что у вас не работает и что вы хотите сделать с доп. реле.
     
  9. Dim4ik

    Dim4ik Живу я здесь

    7 окт 2009
    1.096
    Audi Coupe quattro
    Я так понимаю надо подробную схему внутренностей кнопки? К сожалению такой нету, все чем обладаю это схемы проводки на А80. А эту схему на реле в интернете нашел. Единственное что имею по обогреву сидении то только такую схему.



    Понял, спасибо, буду пробовать.

    Да это я кулибинством занимаюсь от нечего делать. Хочу сделать как это называется приветственный свет фар. От внутрисалонного освещения посредством этого реле будет управлятся свет фар. Открыл машину - зажегся свет в салоне, сработало реле и включило габаритные огни. А с реле упомянутом выше можно сделать что бы фары горели чуть дольше чем свет в салоне. Как то так...

    З.Ы колхожу это не в ауди, а сааб...
     

    Вложения:

    • E12.pdf
      Размер файла:
      170,4 КБ
      Просмотров:
      9
  10. knyazevpit

    knyazevpit Старожил

    13 июн 2012
    5.122
    Коми респ.
    А6C4 2,6Q АКПП 97г.
  11. Dim4ik

    Dim4ik Живу я здесь

    7 окт 2009
    1.096
    Audi Coupe quattro
    У нас тут (Литва) таких нету, ассортимент ограничен, вам проще с выбором. Плюс все равно придется управление от чего то брать, а в машине все блоки общаются по КАНу, и взять управление от света в салоне наиболее просто..
     
  12. knyazevpit

    knyazevpit Старожил

    13 июн 2012
    5.122
    Коми респ.
    А6C4 2,6Q АКПП 97г.
    Так есть aliexpress типа: https://aliexpress.ru/item/32817881..._expid=9b26126e-353a-4cda-9368-c7cadfeccd7a-1
     
  13. Dim4ik

    Dim4ik Живу я здесь

    7 окт 2009
    1.096
    Audi Coupe quattro
  14. Dim4ik

    Dim4ik Живу я здесь

    7 окт 2009
    1.096
    Audi Coupe quattro
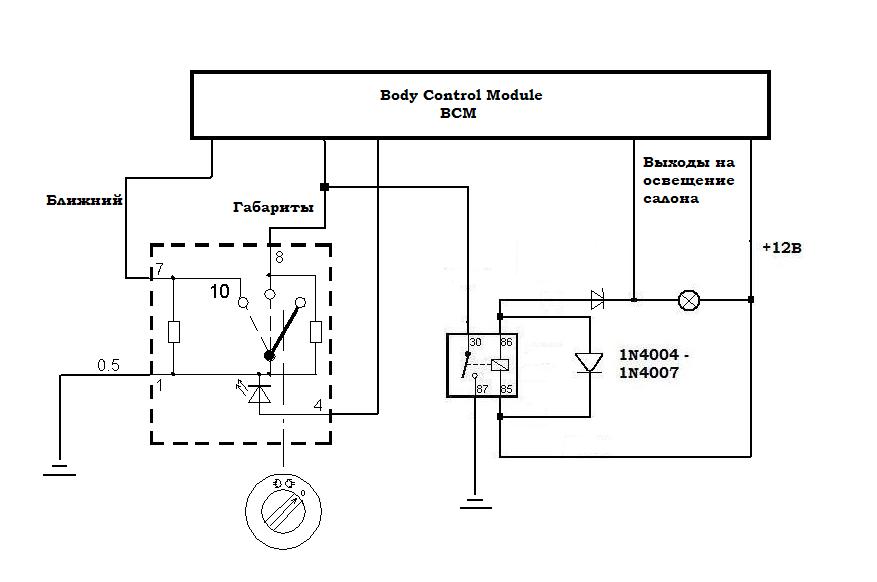
    Можете взглянуть еще..
    Как работает включение фар, переключатель в позиции 1 замыкает массу на пин 8 и сигнал идет в ВСМ, там он дальше командует по кан шине остальным блокам. Я хотел сделать так: при открытии машины загорается свет в салоне, от него срабатывает реле и замыкает массу на провод идущий от переключателя света на ВСМ, в результате габариты зажглись.
    diod2.JPG
    А что если не ставить это реле, а сразу напрямую подсоединить от освещения салона к проводу отвечающему за габариты? Вот так:

    diod3.JPG
     
  15. knyazevpit

    knyazevpit Старожил

    13 июн 2012
    5.122
    Коми респ.
    А6C4 2,6Q АКПП 97г.
    Ну и что там, как там, удалось спалить машину или нужна посторонняя помощь?
     
  16. Dim4ik

    Dim4ik Живу я здесь

    7 окт 2009
    1.096
    Audi Coupe quattro
    Да я и сам отлично с этим справляюсь, спасибо))

    Ну а по делу, то только сегодня добрался. Подключил по второму варианту, напрямую через диод. Пока что работает, наблюдаю.

     
  17. Dim4ik

    Dim4ik Живу я здесь

    7 окт 2009
    1.096
    Audi Coupe quattro
    И снова я..
    В переключателе света есть встроенные сопротивления для проверки исправности переключателя. В мануале пишется что они 1.8 кОм. Мне надо вынести их. Захожу в магазин электрокомпонентов, и не понимаю какой выбрать, пишут только про ватты (???) и нет инфы про сопротивление. Подскажите, пожалуйста, какой мне подойдет?

    https://www.lemona.lt/?page=itemlist&b_id=228
    IMG_20200506_144216.jpg
     
  18. knyazevpit

    knyazevpit Старожил

    13 июн 2012
    5.122
    Коми респ.
    А6C4 2,6Q АКПП 97г.
    #118 knyazevpit, 6 май 2020
    Последнее редактирование: 6 май 2020
    Если тебе необходим резистор с рассеиваемой мощностью 0.25W на 1.8кОм, то это он.
    https://www.lemona.lt/?page=item&i_id=42913&cat=Category: 0.25w rezistoriai
    Если нужно другой мощности то попробуй воспользоваться поисковой системой сайта
    Rezistorius 0.25W 1K8 (0.25W это мощность меняешь на необходимую, 1К8 это номинал сопротивления 1.8 кОм)
     
    Dim4ik нравится это.
  19. Dim4ik

    Dim4ik Живу я здесь

    7 окт 2009
    1.096
    Audi Coupe quattro
    Благодарствую!

    Как уже понятно из постов выше я в этом не бум бум. Предположу что мощность зависит от потребителей? Если это подключается к электронному блоку, то должно хватить 0.25w?
     
  20. knyazevpit

    knyazevpit Старожил

    13 июн 2012
    5.122
    Коми респ.
    А6C4 2,6Q АКПП 97г.
    Предполагаю, что резисторам "подтяжки" мощности 0.25W хватит. Да и если вспомнить курс физики средней школы, то если на резистор сопротивлением 1.8кОм подать полное напряжение 12V на нем будет рассеиваться мощность не более 0.1W
     
    Dim4ik нравится это.