A6 C5 Вентилятор отопителя

Тема в разделе "4B C5", создана пользователем RуслаN, 24 июл 2011.

  1. audi-ak47

    audi-ak47 Участник форума

    23 авг 2011
    102
    audi 80 1.8 Quattr
    в аску пиши !!!!!!
     
    Stop hovering to collapse... Click to collapse... Hover to expand... Нажмите, чтобы раскрыть...
  2. RуслаN

    RуслаN Заблокирован

    30 апр 2010
    8.923
    ЮАР
    Чо писать то? Вопросы все здесь.
     
  3. audi-ak47

    audi-ak47 Участник форума

    23 авг 2011
    102
    audi 80 1.8 Quattr
    куда ты полез так можно пол машины разобрать обясни попорядку че и как !!!!!!!!!!!
     
    Stop hovering to collapse... Click to collapse... Hover to expand... Нажмите, чтобы раскрыть...
  4. RуслаN

    RуслаN Заблокирован

    30 апр 2010
    8.923
    ЮАР
    Тут хоь фотку могу приклеить.
     
  5. QuikkSilver

    QuikkSilver Старожил

    6 мар 2011
    5.236
    A6 C5 1.8T AWT
    купи не оригинал, а от жигулей за 50 рэ и будет тебе счастье.
     
    Stop hovering to collapse... Click to collapse... Hover to expand... Нажмите, чтобы раскрыть...
  6. RуслаN

    RуслаN Заблокирован

    30 апр 2010
    8.923
    ЮАР
    Ну вот вроде и все.Причина найдена.Лишний раз убеждаюсь,что плавающий дефект непросто найти.Перепробовал все,что советовали мне и в других темах.Только что щетки на эл.двигателе ломало менять.И правильно.После очередной серии умирания-оживания обдува,полез перепроверять все снова.Ничего не дало и решил опять разобрать и внимательно осмотреть злополучное реле.Нагрел паяльник и тупо стал пропаивать.Вот тут только и обнаружилась отставшая от пайки нога катушки.Проехал уже тысячу километров,полет(обдув) нормальный.Тфу.Тфу.Тфу.
    [​IMG]
    Вот ана рыба моей мечты.Вот ана.
    [​IMG]
     
    1 человеку нравится это.
  7. Bimmerr

    Bimmerr Участник форума

    14 мар 2012
    106
    А6/С5 2.4 98г. ALF
    Та же проблемма! Буду ковырять))))
     
  8. Bimmerr

    Bimmerr Участник форума

    14 мар 2012
    106
    А6/С5 2.4 98г. ALF
    Где это реле искать в машине??? Извените я просто вообще профан в этих делах....Знаю по электрике где предохранители стоят слевого боку торпеды((((
     
  9. ser_gr72

    ser_gr72 Старожил

    23 окт 2006
    28.232
    Санкт-Петербург
    был Audi A6 Avant 04 2,5TDi BDG вариатор
    пост №5 со ссылкой для кого?
    по ссылке на второй странице все нарсовано.
     
  10. RуслаN

    RуслаN Заблокирован

    30 апр 2010
    8.923
    ЮАР
    Был еще раз косяк зимой.С утра нормально,но если выключить зажигание на прогретой машине,вентилятор включался только после пи@дюлины в торпеду.Когда руки забалели,полез доставать реле.Паял,ставил и снимал раз десять.Изначально буквально болталась на контактах катушка.Потом нашел "живую" ногу и т.д. В итоге заработало и работает сейчас т.т.т.
     
  11. алексей dwd

    алексей dwd Новичок

    2 апр 2014
    5
    а6/c5 3.0 02г.
    ДА ТАМ СТОИТ ЧТО ТО ПОХОЖЕЕ НА РЕЛЕ С ПРАВО ОТ ВЕНТИЛЯТОРА ОТОП. НЕ БОЛЬШАЯ КОРОБОЧКА К НЕЙ ПОДХОДЯТ 3 ПРОВОДА РАЗНОГО СЕЧЕНИЯ ПО ТОЛЩИНЕ
     
  12. ser_gr72

    ser_gr72 Старожил

    23 окт 2006
    28.232
    Санкт-Петербург
    был Audi A6 Avant 04 2,5TDi BDG вариатор
    это блок регулировки оборотов.
    к обозначенной проблеме он не имеет никакого отношения.

    СЛЕПЫХ нет, CAPS выключи.
     
  13. Александр8872015

    Александр8872015 Новичок

    1 фев 2018
    6
    Беларусь
    #33 Александр8872015, 18 фев 2018
    Последнее редактирование: 18 фев 2018
    Такая беда перестала работать печка вентилятор печки салона его снял кинул на прямую работает Клима вроде работает и предохранители тоже вроде целые
     
  14. ser_gr72

    ser_gr72 Старожил

    23 окт 2006
    28.232
    Санкт-Петербург
    был Audi A6 Avant 04 2,5TDi BDG вариатор
    #34 ser_gr72, 18 фев 2018
    Последнее редактирование: 18 фев 2018
    когда будет не вроде, приходи.
    а по уму, надо снять ошибки.
    вентилятор может работать при подаче 12 вольт, но при меньшем работать не будет - щетки.
     
  15. RуслаN

    RуслаN Заблокирован

    30 апр 2010
    8.923
    ЮАР
    Проверяй предохранители.Тупо все.На фольксвагене у меня сгорел пред. открытия боковых сопел вентиляции и вентилятор не включался.При подаче напрямую-крутил.Так и ездил неделю с подключенным напрямую через выключатель света от ВАЗа.Все диагносты приговорили вентилятор,а он самый китайский 5,5к.Одновременно не работала кнопка отключения ЕСП и подсветка окошек заданной температуры.При включении климата вместо цифр несколько секунд были крякозябры.Заменил пред 5амп.и всё задуло.Но это фольц.
     
  16. A1taiR

    A1taiR Новичок

    3 ноя 2018
    2
    Великобритания
  17. A1taiR

    A1taiR Новичок

    3 ноя 2018
    2
    Великобритания
    #37 A1taiR, 3 ноя 2018
    Последнее редактирование: 3 ноя 2018
    Может подскажет кто-то? Климат контроль. Люка нет. Вентилятор не крутит вообще. Проверил еще один вентилятор б/у но рабочий - то же самое. При подключении к аккумулятору 12В - крутит норм. Напряжение на входе в вентилятор 8.7В. Подскажите, пожлуйста, в какую сторону смотреть?
     
  18. Сergei

    Сergei Живу я здесь

    17 авг 2012
    3.527
    А6 2.4L
    Когда добавляешь скорость, напряжение увеличивается?
     
  19. Amodeus177rus

    Amodeus177rus Живу я здесь

    11 окт 2017
    2.723
    Москва
    Volvo XC 90. 3.2.
    #39 Amodeus177rus, 6 ноя 2018
    Последнее редактирование: 6 ноя 2018
    За скорость вентилятора печки отвечает 42.jpg
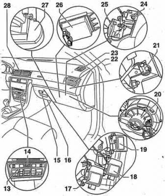
    13 — панель управления, подсветка индикатора и кнопок управления осуществляется светодиодами, которые не могут заменяться.
    14 — датчик температуры воздуха в салоне автомобиля,
    15 — испаритель,
    16 — сопло,
    17 — исполнительный двигатель центральной заслонки,
    18 — исполнительный двигатель правой заслонки температуры,
    19 — исполнительный двигатель заслонки обогревателя
    20 — вентилятор подачи свежего воздуха,
    21 — правый датчик температуры поступающего в салон воздуха,
    22 — правые вентиляционные сопла,
    23 — сопла для размораживания стекла с правой стороны,
    24 — датчик температуры свежего воздуха,
    25 — исполнительный двигатель клапана давления,
    26 — регулятор вентилятора,
    27 — сборник водяного конденсата,
    28 — средние вентиляционные сопла
     
    атаман13 нравится это.
  20. ser_gr72

    ser_gr72 Старожил

    23 окт 2006
    28.232
    Санкт-Петербург
    был Audi A6 Avant 04 2,5TDi BDG вариатор
    а я почему-то про другой вентилятор подумал,
    видимо, название темы не так прочитал :shock:
    удалил пост