Статус темы:
Закрыта.

Продолжение ремонта 100 Авант 2.8 мкпп кватра)) Просто курилка - часть 02

Тема в разделе "80/90/100/200/А6 С4", создана пользователем Bla©k, 19 май 2013.

  1. nord1339

    nord1339 Старожил

    27 янв 2009
    5.417
    сорокопятка ААН.Q
    а мне оч нравится . а в обычных у меня спина болеть начинает если долго ехать . сбылась мечта идиота об рекарах :)
     
  2. Figlyar

    Figlyar Завсегдатый

    11 мар 2011
    1.652
    VW G3 ААМ АКПП 92
    ГазПром помог?? :D
    Спину лечить надо!!!
    Вот сзади на Рекарах удобней, чем на простых - 1000 км проехал и даже ниразу не проснулся :lol:
     
    Stop hovering to collapse... Click to collapse... Hover to expand... Нажмите, чтобы раскрыть...
  3. слава.

    слава. Живу я здесь

    16 июн 2010
    1.551
    Казахстан
    Audi Allroad 2.7 2002г. Американец
    А вот интересно, у седана и аванта высота задней подушки сиденья относительно пола разная или нет? Обычно на седанах повыше, и потому сидеть удобнее, коленки от ушей подальше.
     
  4. Figlyar

    Figlyar Завсегдатый

    11 мар 2011
    1.652
    VW G3 ААМ АКПП 92
    у меня в седане стоит поджопник от аванта - разницы никакой нет.
     
    Stop hovering to collapse... Click to collapse... Hover to expand... Нажмите, чтобы раскрыть...
  5. Old Crocodile

    Old Crocodile Живу я здесь

    10 авг 2012
    1.171
    Ауди100 2.6 Авант
    Там только спинка другая, а диван - 1:1.
     
  6. Bla©k

    Bla©k Модератор
    Команда форума

    9 июл 2010
    11.487
    A8Q
    а вот у меня вопросик.
    А100 4А AAH.
    компрессор R12, испаритель R12, конденсор R134a, датчик и выключатель на нём - тоже R134a.
    Шланги перепрессованы, т.е. с одной стороны резьба для R12, c другой - для R134a.
    Вопросы:
    1. будет ли жизнеспособна такая солянка?
    2. Одинаково ли давление в системе? Т.е. датчики высокого давления отличаются только резьбами?
    3. датчики в.д. R134a, а в испарителе - R12. Это совместимо?
    4. Сколько масла лить в систему?
     
  7. Zerg()()()()

    13 фев 2011
    11.082
    Ауди
    принципиальной разницы не вижу R134 или R12. тут люди и пропаном заправляли и ездили и работало не один месяц.
    давление - насколько компрессор накачает зависит, а пропускная ТРВ клапана дб практически одинакова.
    знаю точно что "теплотворность" R12 лучше, т.е холодит получше.
    масло ориентируйся по компрессору если под старый r12 расчитан то и заливай как там на табличке было.
    в сети видел примерные расклады по маслу типа шланг -20гр испаритель -50гр, но кмк это все индивидуально.
    обьем систем на р12 и р134 примерно одинаков и разница в 5% никому вреда не нанесет.
    главное чтоб все промытое было и без говна внутри. а так можно поставить и через пару месяцев компрессор накроется.
     
    Stop hovering to collapse... Click to collapse... Hover to expand... Нажмите, чтобы раскрыть...
  8. Bla©k

    Bla©k Модератор
    Команда форума

    9 июл 2010
    11.487
    A8Q
    так, спасибо.
    Главный вопрос в совместимости по электрике датчиков. Если там всё одинаково и разница только в резьбах, тогда прокатит.
     
  9. Ярослав44

    Ярослав44 Живу я здесь

    3 июн 2012
    2.219
    100/С4 2.8 AAH 92г
    Как всё это промыть? У меня кондей 6 лет уже не работает, как машину взяли, а может и больше. Сломана трубка алюминиевая длинная от кондейного радиатора и датчик высокого давления. Датчик купил, трубку сделают. Как правильно очистить систему?
     
  10. Zerg()()()()

    13 фев 2011
    11.082
    Ауди
    так там одна каша уже из алюминиевого окисла внутри.
    если хотса сыграть в рулетку - мой(бензин калоша, некоторые спиртом) продувай(азотом) и ставь, проверяй.
    в спец сервисах эта процедура от 10к руб стоит и то я думаю с гарантией никто не возьмется на таком сроке и с непонятной б\у. тут только на свой страх риск и своими руками или без гарантии.
     
    Stop hovering to collapse... Click to collapse... Hover to expand... Нажмите, чтобы раскрыть...
  11. Zerg()()()()

    13 фев 2011
    11.082
    Ауди
    блоки климата на сотке и на а6 взаимозаменяемы абсолютно, отсюда вывод...
     
    Stop hovering to collapse... Click to collapse... Hover to expand... Нажмите, чтобы раскрыть...
  12. Ярослав44

    Ярослав44 Живу я здесь

    3 июн 2012
    2.219
    100/С4 2.8 AAH 92г
    Ясно. А то мне говорят, фигня что столько лет не работает, ставь трубку и заправляй. Уже склоняюсь к тому, чтобы вообще кондей не восстанавливать. :shock:
     
  13. Bla©k

    Bla©k Модератор
    Команда форума

    9 июл 2010
    11.487
    A8Q
    В табличке на компрессоре указано про масло - 300 сс. Триста кубиков - такое возможно? Там плохо видно.
    По датчикам высокого давления. И на датчик, и на выключатель приходят круглые двухпиновые фишки. Тогда как датчик для R134a вроде как 4-пиновый? Что с этим делать?
     
  14. Zerg()()()()

    13 фев 2011
    11.082
    Ауди
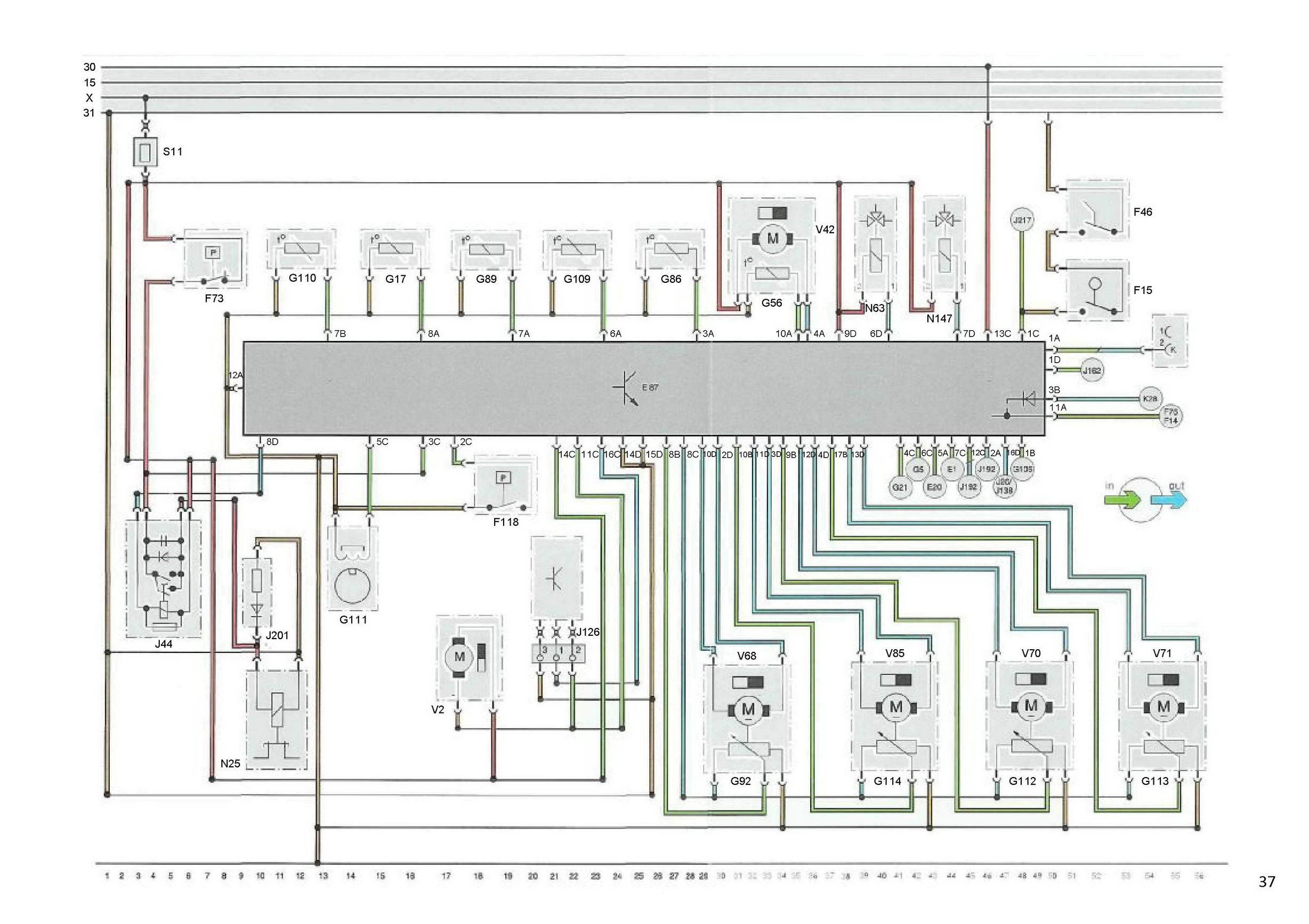
    хз, мож тут почитать? было бы только желание разобраться и все получится

    [​IMG]
     
    Stop hovering to collapse... Click to collapse... Hover to expand... Нажмите, чтобы раскрыть...
  15. maxx_18

    maxx_18 Живу я здесь

    18 июл 2009
    1.233
    Кировская обл.
    Q38U
    У меня R134a и стоят два круглых датчика. Один датчик я сломал (который на включение второй скорости вентилятора) и поставил вместо него четырехконтактный маленький (бывает еще четырехконтактный большой, у него разъем такой же,но принцип действия, как я понял, - другой. Маленький четырехконтактный работает как два круглых, только в одном корпусе). Или наоборот, большой подходит,а маленький нет, не помню точно, надо смотреть. Но все работает нормально.
     
  16. crashtestov

    crashtestov Живу я здесь

    26 май 2011
    2.351
    Mazda Tribute 2.0
    Все!Я не сотковод(((Уехала она вчера от меня,а я от нее...Зато уже вчера почувствовал все плюсы и минусы кроссовера!Да-шумно,да-не едет,но!!!никакие я,мы,сугробф,бордюры не страшны!в багажнике спать можно.Конечно качество ниже,но функциональнее на много.ну и зч копеечные!
     
  17. Zerg()()()()

    13 фев 2011
    11.082
    Ауди
    ховер чтоль?)
     
    Stop hovering to collapse... Click to collapse... Hover to expand... Нажмите, чтобы раскрыть...
  18. серый5271

    серый5271 Живу я здесь

    23 янв 2008
    3.937
    жып широкий
    поздравления с покупкой :D
     
  19. crashtestov

    crashtestov Живу я здесь

    26 май 2011
    2.351
    Mazda Tribute 2.0
    Я совсем на идиота похож?ездил разок в китайце,до сих пор тошнит.Мазда Трибьют,одно и тоже-Форд Маверик/Эскейп.Правда эта европейка чистая,но от форда кой чего осталось.
     
  20. crashtestov

    crashtestov Живу я здесь

    26 май 2011
    2.351
    Mazda Tribute 2.0
    Спасибо!Кстати сотка осталась в клубе.