проблемы с акпп а6 с4 1997

Тема в разделе "80/90/100/200/А6 С4", создана пользователем UACAP, 21 авг 2012.

  1. MahMahoritos

    MahMahoritos Участник форума

    25 июл 2012
    216
    A6C4 2.5TDI AAT 96
    Дело в рычаге коробке, точнее в пружине. У меня такая фигня (короб CRE 4 ступ., двиг. AAT) решается ручным поднятием (вытягиванием вверх) ручки КПП. Думаю, в корне решить это можно переборкой верхней части коробки, где механизм рычага переключения находится.

    Кстати, у меня коробка ведет себя схожим образом, как у тебя в начале темы. Зимой первые 5-10 минут работы машины коробка не переключается на 3-ю передачу, потом прогревается и все нормально. Замеров не проводил, но субъективно, эта фигня творится, пока коробка до положительной температуры не прогреется.

    Соответственно вопрос: так и должно быть или надо как и ТС проверить уровень масла (ошибок вагком не находит)?
     
  2. UACAP

    UACAP Участник форума

    3 авг 2012
    107
    А6/С4 2.5 тді 1997

    о поднятии рычага и пружыне - о чем то подобном думал, иногда ж она ключ отдает, спасиб за совет.

    о переключении - эту проблему решыл еще в прошлом году... был низкий уровень масла.
     
  3. UACAP

    UACAP Участник форума

    3 авг 2012
    107
    А6/С4 2.5 тді 1997
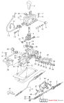
    а на картинке укажыте? не 23 номер случайно?
    [​IMG]
     
  4. MahMahoritos

    MahMahoritos Участник форума

    25 июл 2012
    216
    A6C4 2.5TDI AAT 96
    Точно не знаю. Не заморачиваюсь этим, соответственно, не интересовался. ИМХО проблема не стоит того, чтобы разбирать коробку, пусть даже небольшую её часть. У меня ключ так застревает не чаще раза в месяц, мне проще просто рычаг вверх дернуть, чтобы он до конца поднялся.

    На предыдущей странице темы описана универсальная методика заправки наших коробок? На умерено прогретой (30-40град. С) коробке с работающим двигателем долить масло, пока наружу не польется?
     
  5. MahMahoritos

    MahMahoritos Участник форума

    25 июл 2012
    216
    A6C4 2.5TDI AAT 96
    Кстати, посмотри трос позиции 12. Если на нем есть возможность регулировки, то попробуй его подкрутить. ИМХО блокировка через трос идет и с завода он настроен с небольшим допуском
     
  6. Enter-pnz

    Enter-pnz Новичок

    16 июл 2010
    54
    А6 2.5TDI AEL 97г.
    Только-что столкнулся с заклинившим ключем.
    Воспользовавшись вашим советом подергал рычаг.
    Ключ отдоло :rock:
     
  7. Mariksvitli

    Mariksvitli Новичок

    21 янв 2014
    58
    Audi80/B4 2.6 1994
    У меня была такая проблема. Заменил датчик скорости и один предохранитель.
     
    Stop hovering to collapse... Click to collapse... Hover to expand... Нажмите, чтобы раскрыть...
  8. Dyoma

    Dyoma Новичок

    24 май 2014
    1
    Audi A6/C4 2.8 95г
    Доброго времени суток
    у меня возникла проблема с АКПП
    В положении ручки в любое положение у меня на табло светится только 3 передача, но при езде коробка исправно переключает только с 1 по 3 передачу если судить по оборотам двигателя, и в положении R заднего хода нет.. Ввёл коробку в аварийный режим и появилась задняя передача, но при отключении аккумулятора сбросился аварийный режим и коробка с прежней проблемой не переключает передачу
    Audi A6 c4 2.8 1995г передний привод
    Спасибо заранее
     
  9. леонид д

    леонид д Участник форума

    14 ноя 2012
    401
    ауди 100 89г
    неисправен позиционер селектора передач