помогите найти эл. схему ke-motronik на 80В3,двигатель 3А

Тема в разделе "80/90/100/200/А6 С4", создана пользователем serf1234, 19 май 2011.

  1. serf1234

    serf1234 Завсегдатай

    27 апр 2011
    581
    помогите найти эл. схемой на 80В3,двигатель 3А, ke-motronik
     
  2. tikhomiroff

    tikhomiroff Новичок

    11 апр 2009
    77
    А4/B6 2,0 01г
    http://s001.radikal.ru/i195/1105/52/de952ceb483d.jpg
     
  3. serf1234

    serf1234 Завсегдатай

    27 апр 2011
    581
    спасибо за схему,вот нашел еще цветную схему правда для двигателя 9А,там 2датчика детонации ну и цвета проводов вроде не все сопадают...
     

    Вложения:

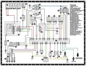
  4. Frog

    Frog Новичок

    2 фев 2011
    16
    Audi 80\3A\j5.1\
    вот только на русском!!
     

    Вложения:

    Stop hovering to collapse... Click to collapse... Hover to expand... Нажмите, чтобы раскрыть...
  5. serf1234

    serf1234 Завсегдатай

    27 апр 2011
    581
    уже переводить собрался спасибо большое!!