Плохо заводится на холодную NG 2.3E

Тема в разделе "80/90/100/200/А6 С4", создана пользователем CityHunter, 21 авг 2015.

  1. CityHunter

    CityHunter Новичок

    7 авг 2015
    23
    AUDI 80 B4 NG2.3E
    Про VEZ знаю, в низу справа за заглушкой, уже там его видел когда убирался. Завтра после работы проверю реле защиты, и выводы питания на датчик из ЭБУ проверю.
    Схему бы этого ЭБУ, или хотябы похожего. Чтоб понять откуда там питание приходит и как формируется на выход.
     
  2. kostya1972

    kostya1972 Участник форума

    10 апр 2009
    472
    Audi B4, 2.3E, NG, 1993г.
    Что за реле такое?
     
  3. kostya1972

    kostya1972 Участник форума

    10 апр 2009
    472
    Audi B4, 2.3E, NG, 1993г.
    #43 kostya1972, 25 авг 2015
    Последнее редактирование: 25 авг 2015
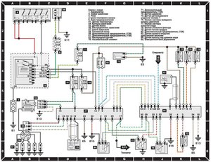
    Эта пойдёт.
     

    Вложения:

    • sh7.jpg
      sh7.jpg
      Размер файла:
      136,6 КБ
      Просмотров:
      32
  4. CityHunter

    CityHunter Новичок

    7 авг 2015
    23
    AUDI 80 B4 NG2.3E
    Видел эту схемку изучал, ещё нашёл в книжке, там ещё это реле есть. И написано как её проверить. Я так понял через неё идёт питание на 1й контакт ЭБУ.
    Только вот работала бы вообще машина еслиб питания небыло на ЭБУ, или там ещё ветки питания присутствуют