1. Дорогие одноклубники!

    Команда Ауди Клуба поздравляет вас с наступающим Новым годом 2026!

A6 C6 Переделка дорестайла в рестайлинг

Тема в разделе "4F C6", создана пользователем Vitalya68, 22 дек 2011.

  1. haZaRd!

    haZaRd! Живу я здесь

    2 фев 2012
    2.219
    Москва
    A6/C6 09г.
    В рестайлинг кузов хочу поставить реснички за место противотуманок, кто нибудь ставил?
     
  2. selmon

    selmon Живу я здесь

    3 ноя 2005
    4.580
    Ауди
    Мне кажется на елку будет похожа.Авто пригнали?:hi:
     
  3. haZaRd!

    haZaRd! Живу я здесь

    2 фев 2012
    2.219
    Москва
    A6/C6 09г.
    в пути)
     
  4. Nomadakula

    Nomadakula Новичок

    17 май 2012
    61
    А6/C6 3.0 04г
    Ништяк вышло! вид освежился ! правда дорого но лучше чем просто морду покрасить. лучше так!
     
  5. Юрий84

    Юрий84 Участник форума

    5 мар 2012
    313
    подскажите номерок рестовой приборки цветной(бензин)???
     
  6. sitetech

    sitetech Живу я здесь

    4 мар 2009
    4.553
    A5 SB 2.0TQ 2011г.
    Stop hovering to collapse... Click to collapse... Hover to expand... Нажмите, чтобы раскрыть...
  7. sitetech

    sitetech Живу я здесь

    4 мар 2009
    4.553
    A5 SB 2.0TQ 2011г.
    Stop hovering to collapse... Click to collapse... Hover to expand... Нажмите, чтобы раскрыть...
  8. Vitalya68

    Vitalya68 Живу я здесь

    10 июл 2011
    1.027
    Московская обл.
    ТУР 3.0 tdi
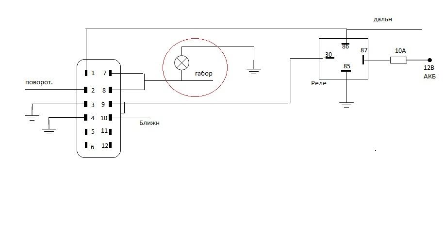
    Схема подключение фар.

    http://www.audi-club.ru/forum/picture.php?albumid=2685&pictureid=23872

    1 - Шторка дальнего +
    2 - Поворотник +
    3 - Масса -
    4 - Масса -
    5,6,11,12 - корректор
    7,8 - Ресничка +
    9 - Лампа дальнего +
    10 - Ближний +


    под 7 или 8 (не помню) потребуется пин т.к. в фишке нет его.

    Где красным кругом отмечено можно организовать подключение по разному:
    1 напрямую от замка зажигания - тогда при включенном зажигание всегда будут гореть реснички.
    2. либо подключиться от ДХО и габаритов.
    Не забываем что надо обмануть комп по габоритам(лампочку оставить или обманку).
     
  9. Faraonnn

    Faraonnn Участник форума

    16 авг 2011
    229
    A6/С6 2,8Q 2009г.
    Подскажи пожалуйста, решетка для s-line и простого рестайлингового бампера одинаковые????
     
  10. sitetech

    sitetech Живу я здесь

    4 мар 2009
    4.553
    A5 SB 2.0TQ 2011г.
    да...
     
    Stop hovering to collapse... Click to collapse... Hover to expand... Нажмите, чтобы раскрыть...
  11. Faraonnn

    Faraonnn Участник форума

    16 авг 2011
    229
    A6/С6 2,8Q 2009г.
    ОК! А тогда еще вопросик, диффузор для заднего бампера s-line и простого, тоже не отличается? И одинаковые ли дуффузоры у рест. и не рест?
     
  12. sitetech

    sitetech Живу я здесь

    4 мар 2009
    4.553
    A5 SB 2.0TQ 2011г.
    диффузоры разные у рестайла и дорестайла. слайн не подходит на обычный и наоборот (он длиннее)
     
    Stop hovering to collapse... Click to collapse... Hover to expand... Нажмите, чтобы раскрыть...
  13. Faraonnn

    Faraonnn Участник форума

    16 авг 2011
    229
    A6/С6 2,8Q 2009г.
    Спасибо! Теперь можно смело запасаться всякими пластмассками :)
     
  14. BOP4YH

    BOP4YH Живу я здесь

    5 мар 2009
    2.270
    Калининградская обл.
    Zeekr 001, TT 8S 2.0
    А ты не в курсе, с фарами от РС6 тоже такая же засада в плане неработающих ЛЕД?
     
  15. sitetech

    sitetech Живу я здесь

    4 мар 2009
    4.553
    A5 SB 2.0TQ 2011г.
    думаю такая же. ибо дело не в диодах, а плате управления. я думаю от количества диодов она не меняется
     
    Stop hovering to collapse... Click to collapse... Hover to expand... Нажмите, чтобы раскрыть...
  16. Crot174

    Crot174 Новичок

    28 июл 2012
    12
    A6/B6 3.2 qatt.05г
    А по моему нештяк вышло!
     
  17. BOP4YH

    BOP4YH Живу я здесь

    5 мар 2009
    2.270
    Калининградская обл.
    Zeekr 001, TT 8S 2.0
    На обратном пути с Крыма заехал в Киев в эту контору. Предварительно списались и я описал, что и как хочу: ЛЕД горят без притухания, версия 4.3, б\у (фары 09 года, но стекла по виду установлены новые), усиленные линзы дальнего света+ лампы+блоки. За все отдал около 1150 евро. Пару дней назад установил. Никакой перекодировки и переброски контактов не потребовалось, просто подключил и заработало. Осталось только настроить пучек света.
     
  18. sitetech

    sitetech Живу я здесь

    4 мар 2009
    4.553
    A5 SB 2.0TQ 2011г.
    без притухания фигово. слепит встречку. Мне электрик сделал притухание.
     
    Stop hovering to collapse... Click to collapse... Hover to expand... Нажмите, чтобы раскрыть...
  19. BOP4YH

    BOP4YH Живу я здесь

    5 мар 2009
    2.270
    Калининградская обл.
    Zeekr 001, TT 8S 2.0
    как сделал?
     
  20. Antonliner

    Antonliner Заблокирован

    18 авг 2012
    42
    A6 3,2 FSI quattro
    ребята, подскажите пожалуйста. Созрел менять задницу на рестайл.
    Буду покупать s-line комплект (крышка багажника,бампер, фонари) . У s-line рестайлинга отличается бампер целиком или диффузор? Крышка багажника как я понимаю у s-line такая же?
    И еще, какие подводные камни при установке рестайлинговой жопы? (pdc нету). Что надо менять?