Масло уходит

Тема в разделе "80/90/100/200/А6 С4", создана пользователем Novoreg, 21 янв 2026.

  1. Novoreg

    Novoreg Новичок

    21 янв 2026
    1
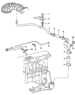
    Привет всем , купил свою первую машину Audi 100 c3 взял по причине отдавали дешево и состояние +- . Катался все четко потом смотрю под капотом валяется патрубок ну и масло уходит . Начал искать информацию нашел что это
    Сапун Патрубок системы вентиляции картерных газов
    Потом искал куда должна идти вторая его часть и так ничего и не понял , в машинах особо не разбираюсь и на мастера денег нет. Подскажите куда что , ну или просто скиньте ссылки где почитать.
     

    Вложения:

    • IMG_8446.jpeg
      IMG_8446.jpeg
      Размер файла:
      561,1 КБ
      Просмотров:
      55
    • IMG_8443.jpeg
      IMG_8443.jpeg
      Размер файла:
      435,9 КБ
      Просмотров:
      66
    • IMG_8444.jpeg
      IMG_8444.jpeg
      Размер файла:
      557 КБ
      Просмотров:
      71
    • IMG_8445.jpeg
      IMG_8445.jpeg
      Размер файла:
      410,8 КБ
      Просмотров:
      59
    • IMG_8447.jpeg
      IMG_8447.jpeg
      Размер файла:
      628,9 КБ
      Просмотров:
      43
  2. carmanel

    carmanel Участник форума

    30 май 2024
    272
    Украина
    А6С6 3.2
    На крышку головки блока цилиндров.
     
  3. carmanel

    carmanel Участник форума

    30 май 2024
    272
    Украина
    А6С6 3.2
    Его вывели вниз не зря, ЦПГ конец и пары масла загаживают воздушный фильтр, масло естественно уходит.
     
  4. Aleks 177

    Aleks 177 Живу я здесь

    4 мар 2021
    2.011
    Москва
    90 т5
    CImage.png должно быть нечто такое . причём резиновый патрубок убитый временем и маслом с С3 заменяется на металлическую трубку от 2,3 с4 . / на картинке уже метал трубка