Климат ошибка 22.1 и 22.5

Тема в разделе "Ремонт Ауди", создана пользователем ZALETAEV, 6 май 2008.

  1. ZALETAEV

    ZALETAEV Участник форума

    26 мар 2007
    221
    А4 07г 2,0ALT, KTM
    AUDI 100 2,3 л. 45 91г.
    При самодиагностике выдаются ошибки 22.1 и 22,5 (обрыв цепи датчика высокого давления).
    Вопросы к знатокам климата.
    1. 22 ошибка обрыв в цепи красного или зеленого датчика?
    2. Исправный датчик должен быть замкнут или разомкнут?
    3. Как снимается датчик (методика).
    4. Не происходит ли разгерметизация системы при снятии датчика?
    4. После замены датчика нужна ли его адаптация и сброс ошибок VAGом или они убераются сами после устранения неисправности?

    Заранее благодарен!
     
    Stop hovering to collapse... Click to collapse... Hover to expand... Нажмите, чтобы раскрыть...
  2. ser_gr72

    ser_gr72 Старожил

    23 окт 2006
    28.167
    Санкт-Петербург
    был Audi A6 Avant 04 2,5TDi BDG вариатор
    Ответ: Климат ошибка 22.1 и 22.5

    На вскидку не вспомню, но скажу следующее.
    1 и 2. Как ты понял, там 2 датчика.
    Один(вкл. вентилятора) - нормально разомкнут.
    Второй (откл. компрессора) - нормально замкнут.
    Какой какого цвета точно не помню, но вроде зеленый на вентилятор, красный на компрессор.
    Исходя из описания ошибок
    22.1 Обрыв в цепи датчика-выключателя повышенного давления хладагента К/В F118: Компрессор остается выключен до тех пор пока датчик выключатель разомкнут
    22.5 Обрыв 120Х в цепи датчика-выключателя повышенного давления хладагента К/В F118; цепь реактивации компрессора,функционирование сканера VAG 1551
    Это красный датчик. Он может быть исправным, но где-то обрыв, как правило, после кривых рук, которые его ставили и перекрутили провода и они оторвались от датчика.

    3. Лучше снять бампер, можно, конечно и так, не очень удобно, но можно.
    Первым делом разомкнуть разъём (красный) у бачка омывателя.
    Вставить в разъёмы перемычку и запустить двигатель, включить кондей.
    Проверить результат.
    Снять декоративную решетку на бампере и думать, как добраться до датчика, чтобы выкрутить (если без снятия бампера).

    4. Не происходит, там клапан, но выкручивать надо быстро, параллельно крутя провода от датчика в ту же сторону.
    Закручивать также.
    4. Можно сбросить но не обязательно, сами уйдут.
     
  3. ZALETAEV

    ZALETAEV Участник форума

    26 мар 2007
    221
    А4 07г 2,0ALT, KTM
    Ответ: Климат ошибка 22.1 и 22.5

    Сергей, огромное спасибо!

    Попробую перемкнуть у бачка омывателя.
    О результате отчитаюсь.

    Михаил.
     
    Stop hovering to collapse... Click to collapse... Hover to expand... Нажмите, чтобы раскрыть...
  4. ZALETAEV

    ZALETAEV Участник форума

    26 мар 2007
    221
    А4 07г 2,0ALT, KTM
    Ответ: Климат ошибка 22.1 и 22.5

    На выходных занимался вопросом изучения датчика высокого давления.

    Датчик высокого давления (отключения муфты компрессора по высокому давлению) находится перед радиатором.
    Датчик красного цвета.
    Датчик доступен и при его снятии разгерметизация системы не происходит т.к. под датчиком стоит клапан похожий на ниппель автомобильной камеры.
    *******:namespace prefix = o ns = "urn:schemas-microsoft-com:eek:ffice:eek:ffice" /><o:p></o:p>
    К датчику подходят два провода.
    Коричневый / синий.
    Коричневый / черный.

    <o:p></o:p>

    В моем случае:<o:p></o:p>
    <o:p> </o:p>
    Коричневый / синий - 12 В.<o:p></o:p>
    Коричневый / черный провод звонится на землю.<o:p></o:p>
    При замыкания проводов датчика ошибка не пропала.<o:p></o:p>
    <o:p> </o:p>
    Отсюда возникло 2 вопроса:<o:p></o:p>
    <o:p> </o:p>
    1. Что должно быть на проводах на исправной системе.
    <o:p></o:p>
    2. После снятия блока управления климатом (отсоединения разъемов), настройки в блоке управления сохраняются или блок необходимо адаптировать?

    Заранее благодарен,

    Михаил.
     
    Stop hovering to collapse... Click to collapse... Hover to expand... Нажмите, чтобы раскрыть...
  5. ser_gr72

    ser_gr72 Старожил

    23 окт 2006
    28.167
    Санкт-Петербург
    был Audi A6 Avant 04 2,5TDi BDG вариатор
    #5 ser_gr72, 12 май 2008
    Последнее редактирование: 12 май 2008
    Ответ: Климат ошибка 22.1 и 22.5

    А компрессор то включается или нет?
    Ошибка сразу не пропадает. Надо ждать или стирать.
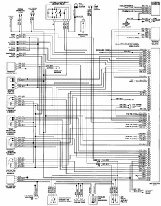
    Судя по схеме, все правильно.
     

    Вложения:

    • fig03.pdf
      Размер файла:
      62,9 КБ
      Просмотров:
      266
  6. ZALETAEV

    ZALETAEV Участник форума

    26 мар 2007
    221
    А4 07г 2,0ALT, KTM
    Ответ: Климат ошибка 22.1 и 22.5

    Компрессор климатом не включается, но компрессор рабочий, т.к. я могу заставить работать кондишин перемыкая контакты рэле включения муфты компрессора.
    При этом кондей работает, но не управляется климатом и не понятно, не рванет ли система по высокому давлению.

    Вникая в пробему возникает все больше и больше вопросов.

    Не понятно почему провод звонится на землю.
    Судя по схеме, один провод выходит из "Мозгов", второй уходит в "Мозги", зачем тянуть еше один провод в мозги, (если на нем земля), а не прикрутить его на массу рядом с датчиком?
    Можно ли снимать блок управления с автомобиля без последующей адаптации.


    С уважением,
    Михаил.
     
    Stop hovering to collapse... Click to collapse... Hover to expand... Нажмите, чтобы раскрыть...
  7. ser_gr72

    ser_gr72 Старожил

    23 окт 2006
    28.167
    Санкт-Петербург
    был Audi A6 Avant 04 2,5TDi BDG вариатор
    Ответ: Климат ошибка 22.1 и 22.5

    такова схема.
    коричнево/черный звонится на землю через блок климы.
    Привязка почти всех датчиков по общему проводу сделана на эту шину.
    Блок снимать можно без адаптации.

    А сам датчик проверил? в обычном режиме должен быть замкнут, т.е. на 5 контакте блока климы должен быть ноль.
     
  8. ZALETAEV

    ZALETAEV Участник форума

    26 мар 2007
    221
    А4 07г 2,0ALT, KTM
    Ответ: Климат ошибка 22.1 и 22.5

    Датчик замкнут.
    Но схема, похоже другая.

    С уважением,
     

    Вложения:

    Stop hovering to collapse... Click to collapse... Hover to expand... Нажмите, чтобы раскрыть...
  9. ZALETAEV

    ZALETAEV Участник форума

    26 мар 2007
    221
    А4 07г 2,0ALT, KTM
    Ответ: Климат ошибка 22.1 и 22.5

    Починил.

    Снял блок, прозвонил провода С2-А9 на предмет обрыва, замыкания на +.
    Все в порядке.
    Вскрыл блок. (задняя крышка залита герметиком пришлось повозиться).
    Элементами схема отличается от указанной ранее, но принцип и разъемы теже.
    На схеме IC7 91002A в моем блоке стояла ТС 4052 ВР.
    Поменял на малахийскую микросхему , не заработало (подпалил микросхему или она была убита, не знаю).
    Впаял панель, поставил отечественную К561КП1.
    Все заработало.
     
    Stop hovering to collapse... Click to collapse... Hover to expand... Нажмите, чтобы раскрыть...
  10. ser_gr72

    ser_gr72 Старожил

    23 окт 2006
    28.167
    Санкт-Петербург
    был Audi A6 Avant 04 2,5TDi BDG вариатор
    Ответ: Климат ошибка 22.1 и 22.5

    Респект.:thumbup: