Статус темы:
Закрыта.

Январь на Ауди

Тема в разделе "80/90/100/200/А6 С4", создана пользователем giga, 23 дек 2009.

  1. Marrakech

    Marrakech Живу я здесь

    11 май 2009
    3.333
    2.7T+ 1.1bar
    100 раз говорилось, что это рампа от Фольцвагена Транспортёра 4 с 5-ти цилиндровым мотором.
     
  2. Kattani

    Kattani Живу я здесь

    16 ноя 2007
    4.384
    Audi 100/44 Avant 2.3NF 88г.
    От какого мотора? Та что от АЕТ выглядит совсем по другому и трубку обратки гнуть нужно.
     
  3. Bob_lrc

    Bob_lrc Участник форума

    16 окт 2010
    132
    Audi 100/44 MC АКП
    Кидай, инфа лишней не бывает.
     
    Stop hovering to collapse... Click to collapse... Hover to expand... Нажмите, чтобы раскрыть...
  4. DimonPumba

    DimonPumba Новичок

    26 авг 2010
    93
    21412
    вопросик)в каком положении нужно варить реперный диск с насечками на наш шкив КВ?(двигатель 3А 4 горшка)
     
  5. DRON1

    DRON1 Завсегдатай

    9 июл 2010
    690
    Ауди-100 2,3 NF 89
    У меня регулятор давления топлива ввёрнут в рампу волговский,на Т-4 хочешь сказать тоже волговский можно ввёрнуть?
     
    Stop hovering to collapse... Click to collapse... Hover to expand... Нажмите, чтобы раскрыть...
  6. Kattani

    Kattani Живу я здесь

    16 ноя 2007
    4.384
    Audi 100/44 Avant 2.3NF 88г.
    Ну там на самом деле конструкция похожая и сам регулятор тоже.
     
  7. DimonPumba

    DimonPumba Новичок

    26 авг 2010
    93
    21412
    форсунки вместе с рейкой от АВК пойдут под январь 5.1?
     
  8. Kattani

    Kattani Живу я здесь

    16 ноя 2007
    4.384
    Audi 100/44 Avant 2.3NF 88г.
    Январю до фонаря от чего рейка и форсунки по большому счёту тоже.
     
  9. rek

    rek Bad e-mail

    6 июн 2010
    33
    A100/44 2.3NF я5.1
    Я тоже готовлюсь к установке Январь на свою Ауди 100 44 NF 2.3
    Возник тоже вопрос по стаканчикам для форсунок, те кто ставил на этот двигатель 107 форсунки, приходилось ли вытачивать или в родные пойдут?
     
  10. Serg44

    Serg44 Участник форума

    11 янв 2011
    263
    Ауди А6 2,8 ААН
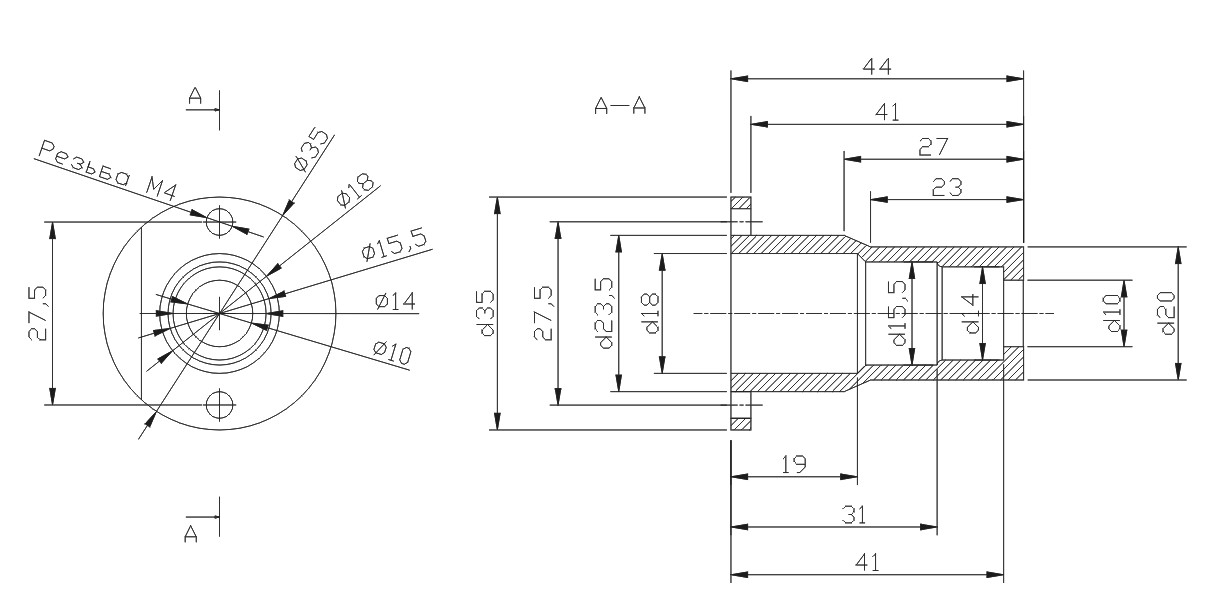
    В отчете смотри там вроде чертеж есть на стаканы .
     
  11. studiom1

    studiom1 Живу я здесь

    8 дек 2007
    3.154
    А100 44 KU 2.2 136лс АКПП88г ЯНВАРЬ 5.1
    Stop hovering to collapse... Click to collapse... Hover to expand... Нажмите, чтобы раскрыть...
  12. Serg44

    Serg44 Участник форума

    11 янв 2011
    263
    Ауди А6 2,8 ААН
    http://www.audi-club.ru/forum/attachment.php?attachmentid=196824&d=1286970325
     
  13. Serg44

    Serg44 Участник форума

    11 янв 2011
    263
    Ауди А6 2,8 ААН
    А какой лучше поставить топлевный насос в бензобак ? так как родного насоса от ауди нет .
     
  14. studiom1

    studiom1 Живу я здесь

    8 дек 2007
    3.154
    А100 44 KU 2.2 136лс АКПП88г ЯНВАРЬ 5.1
    Я думаю что можно наверное от ваза насос поставить
     
    Stop hovering to collapse... Click to collapse... Hover to expand... Нажмите, чтобы раскрыть...
  15. rek

    rek Bad e-mail

    6 июн 2010
    33
    A100/44 2.3NF я5.1
    Я видел чертежи, просто интересно так подойдут форсунки в родные стаканы если нет то придется делать.
     
  16. DRON1

    DRON1 Завсегдатай

    9 июл 2010
    690
    Ауди-100 2,3 NF 89
    номерок рампы 035-01044010 (вроде этот,в гараже темно,еле разглядел)
     
    Stop hovering to collapse... Click to collapse... Hover to expand... Нажмите, чтобы раскрыть...
  17. Kattani

    Kattani Живу я здесь

    16 ноя 2007
    4.384
    Audi 100/44 Avant 2.3NF 88г.
    К сожалению экзист не знает такого номера...
     
  18. DRON1

    DRON1 Завсегдатай

    9 июл 2010
    690
    Ауди-100 2,3 NF 89
    Ставь от волги у него и производительность больше и в установке проще что подвесной (вобще красота,под днищем повесиш и в бак не надо лазить) что погружной. От 10-ки поставил сименс,хватило на 60-80 ккм,чуть подносился видать, уже давление не такое давит. От волги под наши обьёмы движка более подходят и по цене одинаковы.
     
    Stop hovering to collapse... Click to collapse... Hover to expand... Нажмите, чтобы раскрыть...
  19. DRON1

    DRON1 Завсегдатай

    9 июл 2010
    690
    Ауди-100 2,3 NF 89
    Буквы ещё ,,АТЭ,, Завтра ещё гляну,по светлу Может что не углядел.
     
    Stop hovering to collapse... Click to collapse... Hover to expand... Нажмите, чтобы раскрыть...
  20. Serg44

    Serg44 Участник форума

    11 янв 2011
    263
    Ауди А6 2,8 ААН
    А погружной от волги пойдет или нет ?