Статус темы:
Закрыта.

Январь на Ауди

Тема в разделе "80/90/100/200/А6 С4", создана пользователем giga, 23 дек 2009.

  1. sag071

    sag071 Участник форума

    23 июн 2009
    230
    A-200Q MC-1 87г.
    Re: ЯНВАРЬ НА АУДИ

    О! Вот, может Вы выложите блок схему подключения Лиса, к ВЕМЗу и к Ауди...
     
  2. Marrakech

    Marrakech Живу я здесь

    11 май 2009
    3.333
    2.7T+ 1.1bar
    Re: ЯНВАРЬ НА АУДИ

    к VEZ'у

    По-поводу VEMSа.
    Скоро создам отдельную тему про VEMS и как его поставить на мотор 2.3 NF, NG, AAR. Постараюсь сделать наиболее подробно описание. :ded:
    Таблицу подключения к штатной проводке уже составилthere
     
  3. DRON1

    DRON1 Завсегдатай

    9 июл 2010
    690
    Ауди-100 2,3 NF 89
    Stop hovering to collapse... Click to collapse... Hover to expand... Нажмите, чтобы раскрыть...
  4. DRON1

    DRON1 Завсегдатай

    9 июл 2010
    690
    Ауди-100 2,3 NF 89
    Re: ЯНВАРЬ НА АУДИ

    ничего там не нужно подключать. Оно всё там и так подходит. Вот картинка http://www.audi-club.ru/forum/attachment.php?attachmentid=190064&d=1281380919
     
    Stop hovering to collapse... Click to collapse... Hover to expand... Нажмите, чтобы раскрыть...
  5. Влади.слав

    Влади.слав Новичок

    1 ноя 2010
    13
    vw caravella Т4
    Re: ЯНВАРЬ НА АУДИ

    Добрый день всем! Пишу в первый раз на этом форуме прошу особо не баяньте и не пинайте за глупые вопросы!
    Вот после первых морозов когда машина не завелась решил поставить январь!
    вообщем у меня vw caravella 5 цилиндров инжектор! Но этот инжектор почему-то в мороз нехочет ни в какую заводиться! плюс каждый раз радует расход 25л/100 это ещё по божески! ездил на диагностику но половина диагностов говорят год старый, комп не возьмёт другие пробуют подключится, говорят комп не видит ЭБУ!
    вот и катаюсь так!
    вот решился на январь но меня смущает один факт с топливной рампой у меня она как на рисунке! тобиш такая толстая форсунка стоит внутри пласмасового короба а их там 5! В нижней части где располагается регулятор давления подается топливо и оно проходит через форсунки, а в верхней части распологаються контакты к форсункам соединенные параллельно +и-! и выходить всего 2 контактная фишка! вот незаю как подключать разъёмы форсунок января к моим! рассверливать корпус и выводить провода от форсунок или менять рампу в сборе.
    просто если менять рампу то могут не встать по высоте форсунки с рампой вазовские и газовские, т.к. загиб коллектора очень маленький! а снять коллектор проблематично кузов авто мешает!
    Вот меня мучает вопрос можно как нибудь срастить мою топливную рампу с январём?
    Заранее благодарен за ответ!

    [​IMG]
    there
     
    Stop hovering to collapse... Click to collapse... Hover to expand... Нажмите, чтобы раскрыть...
  6. sider

    sider Новичок

    24 сен 2010
    70
    Audi 100/С4/1992 AAR 2,3 133л.с./Январь+VEZ
    Re: ЯНВАРЬ НА АУДИ

    задавал этот вопрос пару страниц назад - попробую еще раз: ))
    стоит январь+ВЕЗ. ВЕЗ в аварийном режиме, т.к. топливное ЭБУ и ПНД демонтированы. вариант - эмулятор пнд к ВЕЗу. но цена ((
    вопрос: можно ли использовать ДАД от Газели (406 двиг). там вроде тоже как на мапе все построено, и вольтаж от 0 до 5В?
     
  7. DRON1

    DRON1 Завсегдатай

    9 июл 2010
    690
    Ауди-100 2,3 NF 89
    Re: ЯНВАРЬ НА АУДИ

    чeстно говоря плохо сeбe прeдстaвляю кaк нa гaзeли это рaботaeт. От Винeрсa приблудa вродe нe особо дорогaя и зaточeно под твой дрыгaтeль.
     
    Stop hovering to collapse... Click to collapse... Hover to expand... Нажмите, чтобы раскрыть...
  8. sider

    sider Новичок

    24 сен 2010
    70
    Audi 100/С4/1992 AAR 2,3 133л.с./Январь+VEZ
    Re: ЯНВАРЬ НА АУДИ

    в 1-1.5 т.р. - не вопрос. 3,5 уже не тяну. долги, кредиты ;-) а ДАД от Газели в 1т.р. встает.
     
  9. irinoteka

    irinoteka Bad e-mail

    22 окт 2010
    17
    Re: ЯНВАРЬ НА АУДИ

    подскажите, пожалуйста, какое сейчас масло заливать лучше?
     
  10. Kattani

    Kattani Живу я здесь

    16 ноя 2007
    4.383
    Audi 100/44 Avant 2.3NF 88г.
    Re: ЯНВАРЬ НА АУДИ

    sider
    ДАД от газели имеет другую характеристику. Кроме того они должен быть расположен строго определённым образом.
     
  11. Михась

    Михась Завсегдатай

    5 фев 2010
    640
    Seat Toledo 2.0 9А
    Re: ЯНВАРЬ НА АУДИ

    вопрос к знающим)))
    появилась проблемка после ремонта двигателя,мозг не входит в режим ХХ и обороты висят в районе 2500. на инжинернике нет галочки признака ХХ и режимная точка висит в мощностном режиме.на месте лечится включением 3-4 скорости и отпусканием сцепления,только обороты падают к 1500 появляется признак ХХ и нормальные 850 об.
    отключили в комплектации датчик скорости и все стало работать как правильно,зашили в -71 и опять такая же байда. грешил на мозг,прошился в -41,эфекта нет.ДХХ работает нормально,ДМРВ тоже,остается ДТОЖ и ДПДЗ. где копать?
     
    Stop hovering to collapse... Click to collapse... Hover to expand... Нажмите, чтобы раскрыть...
  12. gm32

    gm32 Участник форума

    14 окт 2010
    270
    a6/с5 2.4 q/tip
    Re: ЯНВАРЬ НА АУДИ

    Попробуйте для начала диагностику,и посмотрите может где подсос воздуха или ещё какие механические косячки.
     
  13. Markin_s

    Markin_s Участник форума

    9 ноя 2010
    391
    80 В4 АВТ январь 7.2
    Re: ЯНВАРЬ НА АУДИ

    Была такая тема на тазике. Врал дпдз. При закрытом дросселе показывал 15% открытия...
     
    Stop hovering to collapse... Click to collapse... Hover to expand... Нажмите, чтобы раскрыть...
  14. Михась

    Михась Завсегдатай

    5 фев 2010
    640
    Seat Toledo 2.0 9А
    Re: ЯНВАРЬ НА АУДИ

    это даже необсуждается...
     
    Stop hovering to collapse... Click to collapse... Hover to expand... Нажмите, чтобы раскрыть...
  15. Михась

    Михась Завсегдатай

    5 фев 2010
    640
    Seat Toledo 2.0 9А
    Re: ЯНВАРЬ НА АУДИ

    в том то и дело,показывает 0%.
    но придется наверное купить,пригодится на другую машинку...
     
    Stop hovering to collapse... Click to collapse... Hover to expand... Нажмите, чтобы раскрыть...
  16. Михась

    Михась Завсегдатай

    5 фев 2010
    640
    Seat Toledo 2.0 9А
    Re: ЯНВАРЬ НА АУДИ

    при зависании,на инжинернике,снимаешь галочку Датчик скорости,сразу падает в ХХ.опять ставиш наличие ДС,газнешь и опять завис пога не отключишь ДС.
    Прям задницо какая то...
     
    Stop hovering to collapse... Click to collapse... Hover to expand... Нажмите, чтобы раскрыть...
  17. Markin_s

    Markin_s Участник форума

    9 ноя 2010
    391
    80 В4 АВТ январь 7.2
    #4517 Markin_s, 6 дек 2010
    Последнее редактирование: 6 дек 2010
    Re: ЯНВАРЬ НА АУДИ

    Мдя интересная петрушка... А что в двигателе та ремонтировали? Так понимаю что с той же прошивкой до ремонта все норм было? Такс а по датчику скорости.. Вообще в прошивке есть тема прирост в движении. +400 оборотов (в штатной прошивке) Но при условии что скорость авто не менее 3 км\ч. Да и 850 + 400 далеко не 2500 ) Странненько...
     
    Stop hovering to collapse... Click to collapse... Hover to expand... Нажмите, чтобы раскрыть...
  18. sider

    sider Новичок

    24 сен 2010
    70
    Audi 100/С4/1992 AAR 2,3 133л.с./Январь+VEZ
    Re: ЯНВАРЬ НА АУДИ

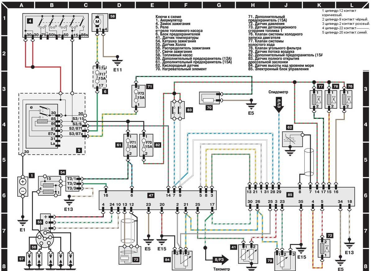
    на этой схеме № 79 "Датчик потока воздуха" - наверное и есть потенциометр? т.е. по сине-желтому проводу с топливного ЭБУ(контакт 26) на VEZ (контакт 21) идет сигнал с ПНД?
     
  19. sider

    sider Новичок

    24 сен 2010
    70
    Audi 100/С4/1992 AAR 2,3 133л.с./Январь+VEZ
    Re: ЯНВАРЬ НА АУДИ

    и если правильно понял, эмулятор ПНД сажается на 21 контакт VEZa?
     
  20. Влади.слав

    Влади.слав Новичок

    1 ноя 2010
    13
    vw caravella Т4
    Re: ЯНВАРЬ НА АУДИ

    мужики подскажите реально мою топливную рампу сростить с январём?
    или придётся мастрячить рампу другую?
    уж больно надоели пляски с бубном на морозе возле машины и расход бешеный!
     
    Stop hovering to collapse... Click to collapse... Hover to expand... Нажмите, чтобы раскрыть...