ЭБУ двигателя КЕ - схема

Тема в разделе "Ремонт Ауди", создана пользователем stranger_77, 4 сен 2009.

  1. stranger_77

    stranger_77 Участник форума

    7 сен 2006
    160
    была Audi 100/44 2.2 kz 85г
    ЭБУ перестал давать сигнал на эл.клапан холостого хода, машина струдом заводится с 5 попытки :shock:, что делать с эбу :confused:, может у кого схемка есть или распиновка 25 контактного разъема.
    BOSCH 0280800134, 811906264D
     
    Stop hovering to collapse... Click to collapse... Hover to expand... Нажмите, чтобы раскрыть...
  2. Kattani

    Kattani Живу я здесь

    16 ноя 2007
    4.383
    Audi 100/44 Avant 2.3NF 88г.
  3. stranger_77

    stranger_77 Участник форума

    7 сен 2006
    160
    была Audi 100/44 2.2 kz 85г
    Спасибо но не то:shock:
     
    Stop hovering to collapse... Click to collapse... Hover to expand... Нажмите, чтобы раскрыть...
  4. kym

    kym Завсегдатай

    13 май 2008
    969
    Audi 100 1992г AAD
    #4 kym, 4 сен 2009
    Последнее редактирование: 4 сен 2009
    Даю 90 % что сжема ЕБУ тебе не нужна и не поможет. сигнал на клапан ЕБУ перестал давать не потому что поломался а потому что что то другое поломалось и дает ЕБУ не правильную информацию. Ети ЕБУ практически не ломаются, Разве от сварки и при утоплении авто. ищи причину в другом.
    Схем ЕБУ тех времен может и не быть в електронном виде. Я вживую смотрел пару ЕБУ там сильно не поремонтируешся ...в основном специализированные Бошевские микросхемы
     
  5. Нидвораич

    Нидвораич Bad e-mail

    3 янв 2006
    1.224
    Костромская обл.
    LA-CF7
    давление для галочки в студию...

    можно даже 2 или 3 давления :)
     
    Stop hovering to collapse... Click to collapse... Hover to expand... Нажмите, чтобы раскрыть...
  6. stranger_77

    stranger_77 Участник форума

    7 сен 2006
    160
    была Audi 100/44 2.2 kz 85г
    Вы про какое давление ?
    Прозвонил проводку от клапана х.х. три провода идут на ЭБУ на колодку 1-черносиний провод, 3- зеленочерный, 4-зеленокрасный. На ЭБУ 3,4 идут на диоды, прозвонил целые, а дальше без схемы неразобратся.

    Знать бы что поломалось, у меня до этого только свет фар пропадал, дело в переключателе было.
     
    Stop hovering to collapse... Click to collapse... Hover to expand... Нажмите, чтобы раскрыть...
  7. locon

    locon Живу я здесь

    8 фев 2004
    1.156
    Audi A6 C5 1.8T 2000
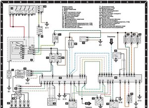
    Схема ЭСУД и заодно распиновка разъема ЭБУ.
     

    Вложения:

    • KZ.pdf
      Размер файла:
      199,7 КБ
      Просмотров:
      2.812
    1 человеку нравится это.
    Stop hovering to collapse... Click to collapse... Hover to expand... Нажмите, чтобы раскрыть...
  8. stranger_77

    stranger_77 Участник форума

    7 сен 2006
    160
    была Audi 100/44 2.2 kz 85г
    Спасибо буду разбиратся. А самой схемы блока нету?
     
    Stop hovering to collapse... Click to collapse... Hover to expand... Нажмите, чтобы раскрыть...
  9. stranger_77

    stranger_77 Участник форума

    7 сен 2006
    160
    была Audi 100/44 2.2 kz 85г
    Stop hovering to collapse... Click to collapse... Hover to expand... Нажмите, чтобы раскрыть...
  10. Kattani

    Kattani Живу я здесь

    16 ноя 2007
    4.383
    Audi 100/44 Avant 2.3NF 88г.
    Возможно каскад управления внутри эбу накрылся. Можно и без схемы проследить куда дорожка от разъема идет. Врядли там какой-то спец. транзистор от БОШ.
     
  11. stranger_77

    stranger_77 Участник форума

    7 сен 2006
    160
    была Audi 100/44 2.2 kz 85г
    Пробовал с утра запускать двигатель, завелась, жутко коптит, обороты около 400, тресется, настраивал винт регулировки х.х. изменений нет :confused:
     
    Stop hovering to collapse... Click to collapse... Hover to expand... Нажмите, чтобы раскрыть...
  12. kym

    kym Завсегдатай

    13 май 2008
    969
    Audi 100 1992г AAD
    Делай диагностику давлений идавай сюда. Тут тебе все розкажут. Ето в КЕ джете основной параметр. Ты уверен что насос дайот правильное давление ?
     
  13. ser_gr72

    ser_gr72 Старожил

    23 окт 2006
    28.159
    Санкт-Петербург
    был Audi A6 Avant 04 2,5TDi BDG вариатор
    может с проверки ДТОЖ начать?
    его показания в первую очередь влияют на заводку и ХХ при прогреве,
     
  14. stranger_77

    stranger_77 Участник форума

    7 сен 2006
    160
    была Audi 100/44 2.2 kz 85г
    А что сним может быть, температуру показывает, может сигнал на ЭБУ не идет :shock:
    Вчера разбирал и чистил каналы в РУД может в нем проблема.
     
    Stop hovering to collapse... Click to collapse... Hover to expand... Нажмите, чтобы раскрыть...
  15. ser_gr72

    ser_gr72 Старожил

    23 окт 2006
    28.159
    Санкт-Петербург
    был Audi A6 Avant 04 2,5TDi BDG вариатор
    на стрелку и ЭБУ разные датчики
     
  16. kym

    kym Завсегдатай

    13 май 2008
    969
    Audi 100 1992г AAD
    Ето симптомы неправильных давлений....
     
  17. stranger_77

    stranger_77 Участник форума

    7 сен 2006
    160
    была Audi 100/44 2.2 kz 85г
    Возможно проверю, попробую сперва свой ЭБУ на другом авто. Потом РУДом займусь проверю системное давление.
     
    Stop hovering to collapse... Click to collapse... Hover to expand... Нажмите, чтобы раскрыть...
  18. 1100000

    1100000 Живу я здесь

    21 окт 2008
    2.551
    AUDI 100/45. AAD.
    может и нет проблемы, может двиг в аварию падает и отключается регулировка хх, нга тахометре скоко показывает
     
    Stop hovering to collapse... Click to collapse... Hover to expand... Нажмите, чтобы раскрыть...
  19. ZALETAEV

    ZALETAEV Участник форума

    26 мар 2007
    221
    А4 07г 2,0ALT, KTM
    Если не опоздал,

    Может пригодится.
     

    Вложения:

    Stop hovering to collapse... Click to collapse... Hover to expand... Нажмите, чтобы раскрыть...
  20. Kattani

    Kattani Живу я здесь

    16 ноя 2007
    4.383
    Audi 100/44 Avant 2.3NF 88г.
    Нужна была принципиальная схема ЭБУ, а это схема внешних соединений ЭБУ.