Статус темы:
Закрыта.

A4 B8 Дооснащение [3-ая часть]

Тема в разделе "A4", создана пользователем Alek-S4, 4 мар 2009.

  1. Чудик

    Чудик Неспящий в ......

    3 июн 2011
    782
    А4/В8 1,8Т, Teana
    а мне обошелся в 15 000 - призаказе машины:rock::rock::rock:

    ваще, как-то дорого вы считаете, Север утверждал, что 24 000 стоимость руля с установкой, если не заказывать сразу, но могу конечно ошибаться
     
    Stop hovering to collapse... Click to collapse... Hover to expand... Нажмите, чтобы раскрыть...
  2. AudiМания

    AudiМания Живу я здесь

    18 сен 2012
    2.380
    Audi
    много нюансов, если просто поменять руль то 24, если нужно менять под рулевое кольцо то дороже, все цены озвучены. проверяйте
     
  3. Чудик

    Чудик Неспящий в ......

    3 июн 2011
    782
    А4/В8 1,8Т, Teana
    да зачем мне проверять, себе я сразу заказал, вот тут проверил, чтобы стоимость стокового руля вычли

    просто все на официалов косят с их ценами, а полцчается, что есть что-то и дешевле, опять же могу ошибаться, чего-то не так понял
     
    Stop hovering to collapse... Click to collapse... Hover to expand... Нажмите, чтобы раскрыть...
  4. Чудик

    Чудик Неспящий в ......

    3 июн 2011
    782
    А4/В8 1,8Т, Teana
    позвонил в Север - сказали что дорАгА будет, так как еще возможно и подушку нужно менять:shock::shock::shock::shock:
     
    Stop hovering to collapse... Click to collapse... Hover to expand... Нажмите, чтобы раскрыть...
  5. AudiМания

    AudiМания Живу я здесь

    18 сен 2012
    2.380
    Audi
    это понятие растяжимое. чудес не бывает:nod:если новые детали, то дорого. если б/у, то дешевле, но это не значит, что дешево:wink:
     
  6. папа Макарки

    папа Макарки Новичок

    2 дек 2012
    84
    А4/В8 1.8 TFSI 12г
    #246 папа Макарки, 15 янв 2013
    Последнее редактирование: 15 янв 2013
    ......
     
  7. Valerick

    Valerick Завсегдатай

    27 сен 2005
    971
    A4/B8 1.8T 2011г.
    слушай, тебе не надоело?

    ну сколько можно то ?
     
  8. Valerick

    Valerick Завсегдатай

    27 сен 2005
    971
    A4/B8 1.8T 2011г.

    есть же тема для продаж...
     
  9. Чудик

    Чудик Неспящий в ......

    3 июн 2011
    782
    А4/В8 1,8Т, Teana
    ну да, растяжимое до 70 тыров:D:D:D
     
    Stop hovering to collapse... Click to collapse... Hover to expand... Нажмите, чтобы раскрыть...
  10. Carp

    Carp Новичок

    1 ноя 2012
    82
    A4/B8 FL 1.8Т 12г
    Парни помогите.
    Искал не нашел, как установить освещение бардачка A4 B8.
    Искал фишку для подключения не нашел.
    Заранее благодарю.
     
  11. АНДР-S-LINE

    АНДР-S-LINE Заблокирован

    18 дек 2012
    7.883
    Ямало-Ненецкий АО
    Q-3 FL Revo®
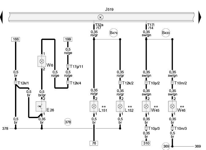
    БАРДАЧЕК:

    Блок J519 - Блок управления бортовой сети
    Вся проводка по умолчанию подключается через 12 контактный штекерный разъем (пишу как не покупать эту проводку).

    1. W6 - Лампа подсветки нужного нам ящика
    2. + контакт лампы к блоку J519 на черный 17 контактный разъем. 17 контакт.
    3. - к выключателю подсветки (доводчику) E26
    4. - от доводчика к земле. - коричнивый
     
    Stop hovering to collapse... Click to collapse... Hover to expand... Нажмите, чтобы раскрыть...
  12. АНДР-S-LINE

    АНДР-S-LINE Заблокирован

    18 дек 2012
    7.883
    Ямало-Ненецкий АО
    Q-3 FL Revo®
    плохо читал дооснащение 1 часть пост 1147:nod:
     
    Stop hovering to collapse... Click to collapse... Hover to expand... Нажмите, чтобы раскрыть...
  13. Sergeilion

    Sergeilion Старожил

    16 янв 2013
    5.481
    Москва
    A4/B8 2.0TQ 10г.
    Добрый день.
    Уточните, пожалуйста, к какому разъему подключается жгут (8K0971679C), который устанавливается на бардчек. На жгуте 2 разъема для ламп (черный и белый), один разъем для отключения подушки безопасности (желтый) один для выключателя (черный) и один коричневый. Куда необходимо подключать коричневый разъем и зачем рекомендовали еще купить разъем 6Q0972726 ? Есть ли у кого фото установки подсветки?
     
  14. Carp

    Carp Новичок

    1 ноя 2012
    82
    A4/B8 FL 1.8Т 12г
    А кто нибудь ставил себе веерные форсунки на А4 B8?.
    Если да, то как результат.
    И если можно номерок форсунок с обогревом.
    Спасибо.
     
  15. Василий К

    Василий К Живу я здесь

    31 май 2005
    2.653
    А4 1.8 2012
    Я в Кемпе купил диодную сборку для установки в салон. Теперь у меня бардачек освещается ярче чем салон )))
     
  16. Sergeilion

    Sergeilion Старожил

    16 янв 2013
    5.481
    Москва
    A4/B8 2.0TQ 10г.
    Это, конечно здорово... Но уже куплены оригинальные компоненты - остальсь понять, как это подключить... :cool:
     
  17. Василий К

    Василий К Живу я здесь

    31 май 2005
    2.653
    А4 1.8 2012
    А это уже подсказали без меня. :nod:
    Я просто выпендрился :)
     
  18. АНДР-S-LINE

    АНДР-S-LINE Заблокирован

    18 дек 2012
    7.883
    Ямало-Ненецкий АО
    Q-3 FL Revo®
    Stop hovering to collapse... Click to collapse... Hover to expand... Нажмите, чтобы раскрыть...
  19. Anatole 77

    Anatole 77 Участник форума

    4 окт 2012
    337
    Москва
    а куда подключил?
     
    Stop hovering to collapse... Click to collapse... Hover to expand... Нажмите, чтобы раскрыть...
  20. Василий К

    Василий К Живу я здесь

    31 май 2005
    2.653
    А4 1.8 2012
    Я подключал не по схеме. Её у меня тогда просто не было.
    Один контакт лампочки подключил на кузов.
    Второй через выключатель(в тормозе открывания крышки) на предохранитель для какой-то другой цепи.
    Просто у светодиодов потребление очень маленькое и надеюсь что ничему не помешает.:)
    Нашел в блоке предохранителей предохранитель на котором висит постоянный плюс и подсоединился к нему.