Всем привет. И снова с вопросом. Спидометр скорость показывает правильно, ни каких перебоев нет! Одометр тоже работает! При скане вагсомом постоянно выскакивает ошибка датчика скорости, на климе тоже скорость не кажет, одни нули. Где капать?
Не встречал такого! У кого есть еще? Ты на каком ВАГСОМЕ его нашел? Если черный чемодан Китайский, кот. еще распечатачку как на кассовом дает, то там с переводами не все в порядке. С немецкого на инглишь, с него на Китайские наречия, потом на Русский. Это может "датчик движения" , он же "положения авто". То он скорость не показывает. Он кажется дает инфо на Курсовую устойчивость и АБС.
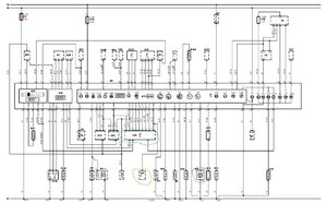
Наконец то пришел шнурок. Вот ошибка по датчику скорости автомобиля. 16885 - Датчик скорости транспортного средства : Недостоверный сигнал P0501 - 35-00 Скорость на климе не кажет, по вагкому тоже. Показывает только на спидометре! Уважаемые, помогите разобраться. Судя по автодате 3.18 сигнал с датчика скорости (Vehicle speed sensor VSS ) сначало приходит на панель приборов( пин 28 приборки), а с него потом на мозги двигателя( пин 3 от разъема приборки на пин 20 разъема мозгов двигателя), и от этого, соединяющего между собой приборку и мозги двигателя провода, отходит провод на (Vehicle speed sensor VSS connector) именуемый x 91. Вопрос в том, что это за connector? Люди у кого есть елса посмотрите пожалуйста что это за бяка. Год машины в профиле. Спасибо.
Добрый день. Меня интересует где расположен (Vehicle speed sensor VSS connector) именуемый x 91. Посмотреть можно на схеме приборной панели. Провод отходит от 3 го пина. Спасибо.
Синим выделил сам датчик скорости транспортного средства. (Vehicle speed sensor VSS ). Зеленым, электронный блок управления двигателем, точнее какие провода на него пошли! Меня интересует, то что выделенно красным! Называется эта фиговина (Vehicle speed sensor VSS connector), что это за х***я, и где она стоит?
Для двигателя ACK актуален - speedometer sender -G22 (Hall sender on gearbox). Ошибка 16885 - по нему.
Братцы привет. Решил поднять тему, так как ошибка не устранена. Я почему-то думаю, что проблемы с приборкой. У кого какие мысли? Проводка с 3-го пина приборки на 20 ЭБУ звонится, Спидометр работает, а на эбу и климу сигнал не идет. Как устроена приборка, что там могло случится?
сигнал скорости также идет на магнитолу и круиз. Если линия высажена одним из компонентов (обычно неправильно подключенной нештатной магнитолой), другие есс-но сигнала не дождутся.
А что ж делать? Магнитола у меня не штатная, подключал сам, тупо разъемы подошли, но поют только перед. Я так понял что моя не штатная магнитола дает наводку на эту линию, значит этот провод нуно отключить от магнитолы правильно? Если есть возмуха, выложи схемы плиз, у мну только из автодаты. Да круиза у меня нет, т.к. механика.
Механика круизу не помеха ) У тебя просто в комплектации нет. Ельзы под рукой нет, но тут есть у многих - сейчас кто выложит. Обычно провод со скоростью штатными переходниками высаживают на антенный усилитель, они по цвету похожи. Для проверки можешь выдернуть магнитолу, проехаться и проверить ошибки. кинул клич владельцам ельзы, ждем )
Итак есть схема. Спасибо energy! http://www.audi-club.ru/forum/showpost.php?p=3980714&postcount=50 по схеме - 27/2 (третья страница pdf ), шина А27(speed signal). Бело-синий провод, пин №1 черного восьмипинового резьема. Нужно отрезать то что приходит на него в переходнике и концы тщательно заизолировать. А задние динамики не играют скорее всего потому, что заведены через штатный усилитель. Как решать проблему - поиск рулит, нужен предусилитель и правильная разводка.
Снял магнитолу полностью, стер ошибку, а проблема осталась А j218 это на панель приборов? Я так понял если есть круиз, то ДЗ должна быть электронная?
У меня была аналогичная проблема с ошибкой датчика скорости на 3-м гольфе (1,6 abu). Решилась после прочтения этого топика и пары часов ковыряния в проводке... Как оказалось схема подключения почти такая же как и на ауди, поэтому решил написать. Может поможет. Дело было, как оказалось именно в "Vehicle speed sensor VSS connector'е". С виду это такая пластмассовая хрень синего цвета, расположена вверху коммутационного блока (это там где предохранители) сверху над релюшками. В нее включаются штекеры с одиночными проводами. Вообще этих коннекторов там несколько, все разного цвета, расположены в ряд. Так вот, сине-белый провод, идущий от VSS connectorа на мозги как оказалось болтался совсем в стоорне тщательно завернутым в поролон. Видимо какой-то чудо электрик постарался. Вставил этот проводок на место и ошибка больше не появляется
Подниму тему Такая же ошибка - двигло не видит скорость, но: Спидометр работает Провод от приборки до моторника звонится Парки и блок фар скорость видят. Магнитола тоже не видит, но ее отрубил - та же фигнч. Магнитола штатная