Статус темы:
Закрыта.

B4 ABK Digifant - Дергается. Поиск бага...

Тема в разделе "80/90/100/200/А6 С4", создана пользователем vladik7b, 23 сен 2007.

  1. Alexander43

    Alexander43 Новичок

    17 фев 2006
    17
    Audi80 B4 2.0(AB
    #41 Alexander43, 5 янв 2008
    Последнее редактирование: 5 янв 2008
    Ответ: B4 ABK Digifant - Дергается. Поиск бага...

    :hi: Про подрагивание двигателя ABK на холостых... Температура ож 90, обороты 800 двигатель стал работать идеально ровно (уже второй день наблюдаю).
    Что было сделано: напрямую подключил трубку вакумника на клапан "зима-лето" (при заведенном двигателе открыта подача только теплого воздуха). На улице у нас сейчас -18С, а вся система воздухозабора теплая или даже горячая. А теперь вот думаю... может это вредно системе впрыска...:shock:
     
    Stop hovering to collapse... Click to collapse... Hover to expand... Нажмите, чтобы раскрыть...
  2. Алексей М.

    Алексей М. Живу я здесь

    22 дек 2004
    3.649
    Латвия
    A6 C6 2.7TDI BPP Quattro
    Ответ: B4 ABK Digifant - Дергается. Поиск бага...

    Это говорит о том что не работает клапан "зима-лето". Может не герметичны его трубки.
     
    Stop hovering to collapse... Click to collapse... Hover to expand... Нажмите, чтобы раскрыть...
  3. Alexander43

    Alexander43 Новичок

    17 фев 2006
    17
    Audi80 B4 2.0(AB
    #43 Alexander43, 5 янв 2008
    Последнее редактирование: 5 янв 2008
    Ответ: B4 ABK Digifant - Дергается. Поиск бага...

    Интересно узнать принцип работы этого устройства.

    Может кто разбирал?
     

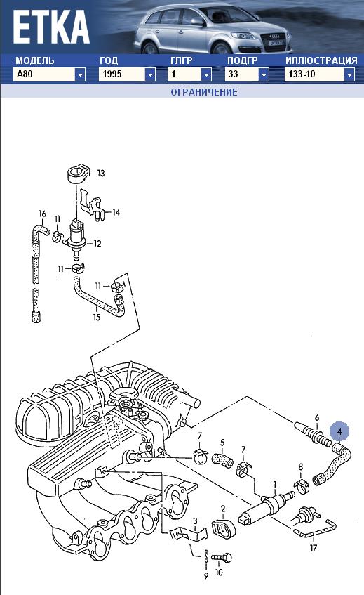
    Вложения:

    • 1.jpg
      1.jpg
      Размер файла:
      50,8 КБ
      Просмотров:
      3.001
    Stop hovering to collapse... Click to collapse... Hover to expand... Нажмите, чтобы раскрыть...
  4. Алексей М.

    Алексей М. Живу я здесь

    22 дек 2004
    3.649
    Латвия
    A6 C6 2.7TDI BPP Quattro
    Ответ: B4 ABK Digifant - Дергается. Поиск бага...

    Это устройство, в зависимости от температуры либо "пропускает", либо "не пропускает" вакуум от блока дросселных заслонок к переключаиелю "зима-лето" и кстати стОит немеряно.
     
    Stop hovering to collapse... Click to collapse... Hover to expand... Нажмите, чтобы раскрыть...
  5. ZzUD

    ZzUD Новичок

    27 ноя 2003
    47
    AUDI А6/С4 АВК '95г.
    Ответ: B4 ABK Digifant - Дергается. Поиск бага...

    А где искать это реле №30 на А6 С4 ABK 95г.в.? или может у меня другое обозначение?
     
    Stop hovering to collapse... Click to collapse... Hover to expand... Нажмите, чтобы раскрыть...
  6. MОNK

    MОNK Живу я здесь

    19 июн 2005
    4.329
    Avant R5T
    Ответ: B4 ABK Digifant - Дергается. Поиск бага...

    В мануале если показанно(обычно большой пуктирной стрелкой) под передней панелью,то тогда в ногах у водителя под рулевой колонкой слева в углу, если его не меняли то на нём стоит номер 30.
     
    Stop hovering to collapse... Click to collapse... Hover to expand... Нажмите, чтобы раскрыть...
  7. svneo

    svneo Новичок

    6 май 2006
    23
    AUDI Avant 2.0; Rav4
    Не могу не выразить слова благодарности за подсказку о проблеме с "дергатнёй" АВК (реле№30)! Всем Респект и Уважуха! Очень помогло!!!
     
    Stop hovering to collapse... Click to collapse... Hover to expand... Нажмите, чтобы раскрыть...
  8. Саныч

    Саныч Участник форума

    5 мар 2004
    463
    A4 1.9 TDi 2001
    Re: Ответ: B4 ABK Digifant - Дергается. Поиск бага...

    там Не нашел, можно точную схему ?
    Слышао что на 6 оно в другом месте.
     
    Stop hovering to collapse... Click to collapse... Hover to expand... Нажмите, чтобы раскрыть...
  9. Саныч

    Саныч Участник форума

    5 мар 2004
    463
    A4 1.9 TDi 2001
    помогите найти реле 30
     
    Stop hovering to collapse... Click to collapse... Hover to expand... Нажмите, чтобы раскрыть...
  10. Алексей М.

    Алексей М. Живу я здесь

    22 дек 2004
    3.649
    Латвия
    A6 C6 2.7TDI BPP Quattro
    Завтра в ETKA и ELSA поищу, сей час пойду лечиться.... приболел...
     
    Stop hovering to collapse... Click to collapse... Hover to expand... Нажмите, чтобы раскрыть...
  11. Саныч

    Саныч Участник форума

    5 мар 2004
    463
    A4 1.9 TDi 2001
    Алексей М. , выздоровел ?

    Народ помогите найти рыле
     
    Stop hovering to collapse... Click to collapse... Hover to expand... Нажмите, чтобы раскрыть...
  12. Саныч

    Саныч Участник форума

    5 мар 2004
    463
    A4 1.9 TDi 2001
    у меня вместо 30 стоит 208 рыле с катушкой внутри.
    Рыле бензонасоса.
    не знаю что и делать, как нагреется обороты плавают.
     
    Stop hovering to collapse... Click to collapse... Hover to expand... Нажмите, чтобы раскрыть...
  13. Алексей М.

    Алексей М. Живу я здесь

    22 дек 2004
    3.649
    Латвия
    A6 C6 2.7TDI BPP Quattro
    Да, спасибо, зацепило сильно....
    Поиски реле в ETKA ничего не дали, я даже на свою машину не нашел.
    Придется тупо выдрать свое и списать номер.
    Кстати, а что с лямбдой???
     
    Stop hovering to collapse... Click to collapse... Hover to expand... Нажмите, чтобы раскрыть...
  14. Skymit

    Skymit Новичок

    5 апр 2009
    39
    Audi A6 2.5 2002
    Реле так и не нашел, на своей машине, проблема та же плавают хх, дроссель прочистил, потанциометр расх. разбирал по инструкции, делал, хотя он в отличном состоянии у меня, плавают обороты после ногрева после 3 мин., реле 30 не нашел, не пойму на самом реле должно быть №30? Есть реле 213 и 208. Датчик темпер. жидкости работает, когда его откидываешь машина глохнет сразу, Может проблема в датчики холостого хода? Где он находится? Я нашел, но не знаю, его или нет, под воздухозаборником, к датчику подходит разъем, мерил напругу за высоких оборотах выдавал только 4-5 Вольт, должны же быть 12, что бы он начал работать? . Или я ошибаюсь, при заведенном двигателе, откидываю разъем с датчика этого, никаких явлений, подсоединяю, тоже, сам датчик работает, проверял, сколько должно приходиться напряжение к нему. Что еще сделать, даже и не знаю. Клапан стабилизации ХХ где он находится, его тоже можно почистить. Audi A6 1996 2.0 ABK
     
  15. Алексей М.

    Алексей М. Живу я здесь

    22 дек 2004
    3.649
    Латвия
    A6 C6 2.7TDI BPP Quattro
    Не совсем понятно, что и где ты нашел. Если под блоком дроссельных заслонок, то это понциометр дроссельной заслонки, или другими словами, датчик положения дроссельной заслонки. И еще, все эти датчики и расходомер в том числе питаются от +5 вольт, а не +12.
    Скидывая разъем с датчика температуры, ты приводишь с переливу, вот и глохнет. Что то мне говорит, что у тебя где то неучтенный воздух. Или не все так хорошо с расходомером.
     
    Stop hovering to collapse... Click to collapse... Hover to expand... Нажмите, чтобы раскрыть...
  16. Skymit

    Skymit Новичок

    5 апр 2009
    39
    Audi A6 2.5 2002
    А может быть бензонасос, вначале есть давление, а потом может падает и плавают обороты, заводится отлично, свечи в порядке, а реле "30" то же его не нашел, что именно на реле написано 30, есть 213, 208
     
  17. Алексей М.

    Алексей М. Живу я здесь

    22 дек 2004
    3.649
    Латвия
    A6 C6 2.7TDI BPP Quattro
    #57 Алексей М., 8 апр 2009
    Последнее редактирование: 8 апр 2009
    Вобщем так...
    почитай это, у человека тоже проблемы с хх были.
    Картинки реле 30 прилагаю.
    Тут фотка моторного отсека.
     

    Вложения:

    Stop hovering to collapse... Click to collapse... Hover to expand... Нажмите, чтобы раскрыть...
  18. Skymit

    Skymit Новичок

    5 апр 2009
    39
    Audi A6 2.5 2002
    А где находится клапан холостого хода? Или клапан стабилизации хх, он есть у меня? И также винт регулировки ХХ. Не могу найти. Фото бы:shock:
     
  19. maximp

    maximp фанат

    17 окт 2008
    2.087
    Санкт-Петербург
    A8D4 3.0 BiTDI
    Мануала что-ли нет
     

    Вложения:

    Stop hovering to collapse... Click to collapse... Hover to expand... Нажмите, чтобы раскрыть...
  20. Skymit

    Skymit Новичок

    5 апр 2009
    39
    Audi A6 2.5 2002
    #60 Skymit, 9 апр 2009
    Последнее редактирование: 9 апр 2009
    Только пришел, все возился с машиной. КХХ нашел http://www.audi-club.ru/forum/attachment.php?attachmentid=51780&d=1161671959, по этой ссылке номер 12, у меня находится она под воздуханом (А6). Снял его, начала подавать напругу, не работает, почистил, начал опять подавать, заработал, поставил, все равно также плавают при нагреве. Реле Алексей я так и не нашел, на А6 может в другом месте находится? Все облазил со стороны водителя, под рулем, слева, ничего нет с номером 30.
    Спросил у ДОктора, он сказал проделать так: жать тормоз во время холостых, 3 раза нажал, начинаются провалы до 600 потом поднимаются до 1300 и опять нормализуются. Из за этого могут быть, то что плавают? В вакумных шлангах где пробои, я так понимаю