Audi 100 4a/c4 - первенец

Тема в разделе "80/90/100/200/А6 С4", создана пользователем Chelentanov, 9 июн 2012.

  1. Chelentanov

    Chelentanov Новичок

    8 июн 2012
    28
    Audi 100 2.3E 91г.
    Решено, завтра едем с парнями в гараж, будем разбираться по вашим советам с датчиками, вентиляторами и т.д..
    А есть где нибудь схема или в виде рисунка, да вообще в каком нибудь виде схема двигателя 2.3 AAR? ---конкретно интересуют нахождение датчика ОЖ, термостат (ну тут я не ошибусь, он на радиаторе должен стоять внизу)
     
  2. CHENCHO

    CHENCHO Старожил

    27 мар 2009
    10.254
    лисапед

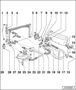
    система ОЖ 2.3.png система ОЖ
    На схеме:
    7-помпа(приводитса ремнем ГРМ)
    18-термостат
    9-датчик температуры G62(на ЭБУ)
    11-термовыключатель F76(на приборку, лампу перегрева и т.д)
    25-датчик уровня ОЖ в бачке
    27-датчик включения вентилятора радиатора
    термос и помпа 2.3.png
    Термостат и помпа.
     
    Stop hovering to collapse... Click to collapse... Hover to expand... Нажмите, чтобы раскрыть...
  3. Serjogik

    Serjogik Участник форума

    28 июн 2011
    132
    Audi A6av 2.6 95г
    На AAR датчик что стоит в радиаторе не используется, основной пропеллер приводится вискомуфтой, второй после останова двигла, от срабатывания термодатчика над клапанной крышкой.
     
  4. BlindHorse

    BlindHorse Старожил

    19 дек 2005
    9.040
    Кемеровская обл.
    JEEP WK2/3,6(`11)+Q7/3,0TDI(`12)
    Если есть климат-контроль, то всё там стоит и используется.
     
  5. Den c4

    Den c4 Bad e-mail

    25 сен 2009
    120
    Audi 100/45 AAR 92
    Датчик N27 который в радиаторе стоит используется для афтеркулинга. С одного датчика над клапанной крышкой вентилятор не закрутится. На моей машине датчик в радиаторе отключен и продувка после остановки не включается. Машина без климы.
     
  6. BlindHorse

    BlindHorse Старожил

    19 дек 2005
    9.040
    Кемеровская обл.
    JEEP WK2/3,6(`11)+Q7/3,0TDI(`12)
    Не надо писать чушь. Не важно что и как у тебя там наколхожено, важно как должно быть.
     
  7. Chelentanov

    Chelentanov Новичок

    8 июн 2012
    28
    Audi 100 2.3E 91г.
    Кстати да, поменяли датчик возле клапанной крышки - заработал афтекулинг)) (разогревали машину чтобы проверить)
    Осталось только разобраться почему не показывает на приборке температуру ОЖ,
     
  8. Serjogik

    Serjogik Участник форума

    28 июн 2011
    132
    Audi A6av 2.6 95г
    Все там работает и крутится, у мя он в радиаторе есть, не не задействован, однако же пропеллер крутиться летом регулярно.
     
  9. BlindHorse

    BlindHorse Старожил

    19 дек 2005
    9.040
    Кемеровская обл.
    JEEP WK2/3,6(`11)+Q7/3,0TDI(`12)
    В оригинале на бесклиматных AAR в радиаторе установлена заглушка №13. При замене радиатора эта заглушка практически никогда не выкручивается по причине накипи, проворачивается закладная резьба в радиаторе. Поэтому в новый радиатор вкручивают попавшийся под руку подходящий по резьбе датчик и он там живет вместо заглушки.
     

    Вложения:

  10. Den c4

    Den c4 Bad e-mail

    25 сен 2009
    120
    Audi 100/45 AAR 92
    Врятли это колхоз, похоже все родное.. Вот ссылка на тему Там у двух человек на AAR без кондея стоят датчики в радиаторе (посты 19,37) Видимо на машинах 91,92 годов выпуска схема афтеркулинга несколько отличается от более поздних выпусков.
     
  11. Аnd558

    Аnd558 Участник форума

    20 май 2009
    210
    Audi100, 2.3AAR,91
    Доброго дня! У меня климы (кондёра) нету. И стоит в радиаторе датчик и датчик автекуллинга тоже есть. Проводка вся штатная. Было раз, в сильную жару и при полузабитом радиаторе на ходу включался вентилятор. Пробовал замыкать при включенном зажигании контакты датчика в радиаторе - вентилятор включался. Вот как-то так.
     
  12. Dima3503

    Dima3503 Новичок

    13 сен 2012
    33
    100 88г.
    У меня ауди 100 88года, мотор 2.3NF горит постоянно датчик АБС начиная с включения зажигания, и постоянно моргает лама износа колодок. Уже смотерел все не знаю что делать отсоединил все датчики износа на колесах, все равно моргает и АБС горит. Может кто то подскажет Спасибо. :)
     
  13. AUDI SCL

    AUDI SCL Живу я здесь

    30 май 2010
    1.088
    Audi S6 2.2AAN 96г
    Провода датчиков износа колодок надо не размыкать ,а наоборот соединять.Причем надо чтобы оба были замкнуты.Еще часто на старых машинах переламываются провода в жгутах на колодки (между кузовом и стойкой).Абс надо проверять тестером сопротивление датчиков.тоже могут быть обломаны провода.Это в первую очередь.также абс может не работать из за реле под рулем.но датчики не работают чаще .
     
  14. Dima3503

    Dima3503 Новичок

    13 сен 2012
    33
    100 88г.
    А какое реле под рудемл Есть фото места расположения?
     
  15. Chelentanov

    Chelentanov Новичок

    8 июн 2012
    28
    Audi 100 2.3E 91г.
    Ой как много времени уже прошло..после сотки Б4 была, после Б4 сел на гольфа4...теперь хочу А6 4b с5)))