Работа вентиляторов.

Тема в разделе "Allroad 4B С5", создана пользователем Resident evil, 12 мар 2014.

  1. Resident evil

    Resident evil Новичок

    18 фев 2014
    14
    Ауди Олроуд
    Ребят а кто подскажет где стоят датчики температуры на сробатования вентиляторов,и где стоит блок управления вентиляторами
     
  2. KTF

    KTF Участник форума

    11 авг 2011
    402
    A allroad2.7T 02г.
    Датчики температуры вроде на самих радиаторах находятся. Когда менял основной радиатор датчик в нижней части рад. был закреплен.
     
  3. karlos76

    karlos76 Участник форума

    13 янв 2012
    146
    allroad 2.7 T
    Точно не помню, может кто и поправит. Всего 3 датчика температуры. 1 - на нижнем патрубке радиатора (он управляет основной работай вентиляторов), и 2 сзади мотора один - отвечает за перегрев и за работу при выключенном ключе зажигания, второй по-моему на ЭБУ мотора. Точно не уверен давно ковырялся.
     
  4. unclefedos

    unclefedos Новичок

    19 июн 2012
    55
    Audi AllRoad 2.7T
    Да, верно.
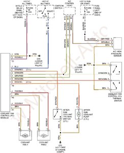
    Датчик включения вентилятора радиатора установлен в патрубке радиатора внизу справа (пассажирская сторона) между радиатором и двигателем. Четырехконтактный. С двумя группами контактов (два температурных уровня 97° С и 102° С)
    Блок управления с левой стороны (сторона водителя) за интеркуллером под локером левого переднего колеса.
    Алгоритм работы системы замысловат:
    1) при срабатывании 97° С – «первая» скорость, вентилятор радиатора вращается со скоростью 50% от максимума,
    2) при срабатывании 102° С – «максимальная» скорость 100 %,
    3) при включении кондиционера и появления давления в системе кондиционирования (срабатывает датчик давления возле радиатора кондея), при температурах менее 97 ° С – «средняя» скорость 85% от максимума + вентилятор радиатора кондея.
    4) при срабатывании двухконтактного датчика (112° С) помпы автекулинга, что сзади двигателя левая головка – включается и помпа автекулинга и вентилятор основного вентилятора на минимальной скорости 40% от максимума.
    «Блок управления вентиляторами» управляет двумя вентиляторами и помпой автекулинга.

    Кстати, даже на холодном двигателе при включении климата (охлаждение салона) т.е. режим 3 описанный выше, вращение одновременно двух вентиляторов подтверждает работоспособность системы.
     

    Вложения:

    • Cool.JPG
      Cool.JPG
      Размер файла:
      77,2 КБ
      Просмотров:
      464
  5. uaz097

    uaz097 Новичок

    5 сен 2011
    72
    Allroad 2.7T 2000г
    Добрый всем вечер.Может кто подскажет вот по какому вопросу ,на днях заметил что у меня постоянно работают все (все все) вентиляторы,темпер в норме,кандей выключен.В чем может быть косяк?
     
  6. karlos76

    karlos76 Участник форума

    13 янв 2012
    146
    allroad 2.7 T
    Надо копать. У приятеля моего такое было когда блок управления вентиляторами глюкнул.
     
  7. unclefedos

    unclefedos Новичок

    19 июн 2012
    55
    Audi AllRoad 2.7T
    Выскажу предположение, вентиляторы работают в "аварийном" режиме, из-за ошибок климата. VAG-COM в помощь.
    Или в блок управления вендиляторами попала влага. Как karlos76 сказал: "надо копать".
     
  8. uaz097

    uaz097 Новичок

    5 сен 2011
    72
    Allroad 2.7T 2000г
    Добрый всем вечер.VAG COM ни чего плохого не говорит.
     
  9. karlos76

    karlos76 Участник форума

    13 янв 2012
    146
    allroad 2.7 T
    Проверьте КЗ по датчику автекулинга, Автекулинг VAG-com не читает. Если что ставьте оригинальный датчик. Они бывают разные: выключатель (в оригинале) и полупроводниковый - изменяет сопротивление (в некоторых рекомендованных Экзистом аналогах), т.е оригинал замыкает цепь при 112 градусах, а полупроводниковый плавно изменяет сопротивление до 0 при 112 градусах т.е включение происходит при более низких температурах.
    Для проверки датчика скиньте с него разъем. Может быть КЗ по проводке.
     
  10. uaz097

    uaz097 Новичок

    5 сен 2011
    72
    Allroad 2.7T 2000г
    А номерочек скажет кто нить,заранее спасибо
     
  11. karlos76

    karlos76 Участник форума

    13 янв 2012
    146
    allroad 2.7 T
    Хотя это врядли он, т.к он должен после выключения зажигания вентиляторы включать. Я про это забыл.
     
  12. uaz097

    uaz097 Новичок

    5 сен 2011
    72
    Allroad 2.7T 2000г
    Сегодня заметил что после выключения зажигания они тухнут все,а температура была за 100
     
  13. Quattrodag

    Quattrodag Участник форума

    15 авг 2013
    327
    Audi Allroad
    Так какой ставить датчик автекулинга? Номерок если можно
     
  14. karlos76

    karlos76 Участник форума

    13 янв 2012
    146
    allroad 2.7 T
    357 919 369 F - это датчик автекулинга (ставьте оригинал), я бы заодно поменял и этот - 059 919 501 A
     
  15. Quattrodag

    Quattrodag Участник форума

    15 авг 2013
    327
    Audi Allroad
    А второй куда? И почему его тоже надо сменить
     
  16. karlos76

    karlos76 Участник форума

    13 янв 2012
    146
    allroad 2.7 T
    Оба датчика стоят сзади двигателя, на магистрали ОЖ, второй если не оригинал стоит 200 р. я бы его просто поменял заодно. (а там на ваше усмотрение). Если нет ошибок по температуре мотора и заводится при любой температуре двигателя хорошо то можно и не трогать.
     
  17. karlos76

    karlos76 Участник форума

    13 янв 2012
    146
    allroad 2.7 T
    Вообще тут ситуация, в которой надо разбираться, читать ошибки. Смотреть блок управления вентиляторами. Замена датчиков может ничего не дать.
     
  18. Quattrodag

    Quattrodag Участник форума

    15 авг 2013
    327
    Audi Allroad
    Ошибок нет никаких, вентиляторы нормально работают, доп помпа автеркулинга новая, при пере мыканий контактов на разъеме то все работает
     
  19. karlos76

    karlos76 Участник форума

    13 янв 2012
    146
    allroad 2.7 T
    При выключении двигателя вентиляторы сразу останавливаются?
     
  20. Quattrodag

    Quattrodag Участник форума

    15 авг 2013
    327
    Audi Allroad
    Вроде да сразу