Главная
Главная
Быстрые ссылки
О проекте
Помощь
Правила клуба
Форум
Форум
Быстрые ссылки
Последние сообщения
Последние темы
Правила форума
Новости
Журнал
Партнеры
Галерея
Галерея
Быстрые ссылки
Новые Фотографии
Новые Альбомы
Новые комментарии
Альбомы пользователя
Камеры
Теги
Автолавка
Автолавка
Быстрые ссылки
Продать автомобиль
Купить автомобиль
Новые автомобили от дилеров
Реклама
Контакты
Меню
Войти
Искать только в заголовках
Сообщения пользователя:
Имена участников (разделяйте запятой).
Новее чем:
Поиск только фотографий
Больше...
Быстрый поиск
Последние сообщения
Везде
Везде
Темы
Сообщения
Альбомы
Фото
Расширенный поиск
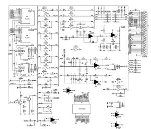
Альбом: АКПП 097
Создание самодельного ЭБУ АКПП
АКПП 097
Обновлён
7 апр 2026 в 23:07
Сортировать содержимое
Последнее обновление
Последние загруженные
Самые популярные
Самые комментируемые
Наиболее понравившиеся
Последние понравившееся
Default Order
98945
0
0
95
98946
0
0
82
98947
0
0
108
98948
0
0
74
98949
0
0
73
98950
0
0
48
98951
0
0
73
98952
0
0
67
98953
0
0
46
98954
0
0
101
98955
0
0
67
98956
0
0
72
98957
0
0
116
99162
0
0
19
99163
0
0
12
99164
0
0
6
99165
0
0
7
99166
0
0
13
99167
0
0
8
99168
0
0
13
Загрузка Фотографий......
Show More
KeKc_78rus
Создание самодельного ЭБУ АКПП
12 дек 2025
(You must log in or sign up to comment here.)
Действия
Поделиться
XenGallery by
sonnb
More External Services
Логин или e-mail :
У Вас уже есть учётная запись?
Нет, зарегистрироваться сейчас.
Да, мой пароль:
Не помню пароль
Запомнить меня
Ауди Клуб Россия
Главная
Галерея
АКПП 097
Действия